3044永利集团
摘要:介绍了声发射原理,并在此基础上采用相应的电子器件,检测阀门泄露情况。
关键词:声发射检验;阀门;密封
阀门是各行各业应用非常广泛的设备之一。以火力发电厂为例,一台机组的阀门数量有几百个。而阀门及管道的泄漏往往是重大事故的隐患,故为保证机组正常运行,侮次大修都要把有关阀门拆开检修。由于缺乏针对性,造成劳动强度增加,人员、物资及时间的浪费,而且无法保证检修质量。利用声发射技术设计的诊断仪可有效的检测阀门内漏和阀门的密封性能。
一、声发射检测的原理
非均质材料在承受载荷应力的情况下,应力场和材料都会逐点变化。所以,在材料作为一个整体变成非稳态之前,会显现出局部的非稳态,这种非稳定性会导致局部的动态位移。被扰动的区域会引起振荡并伴随着声发射,这种振荡在介质中向外传播。同样,诸如撞击、湍流、泄漏和喷注等过程在构件中也将诱发这种振荡。它的特点是声发射的激发并不伴随着构件材料性能的永久性变化,构件只起到导波的作用.从分析得知,声发射是以声脉冲形势释放能量的过程。因此,用适当的换能器在试件的表面就可检测到它们。
声发射释放的能量

式中:ω—传感器的谐振频率
Vt—幅度
Nt—幅度为 Vt 的脉冲数
因为实际泄漏信号是连续性信号,具有较宽的频带,波幅没有很大的起伏变化,在一定的,频带内可近似认为 Vt 恒定,这样可以用传感器输出中超出给定阀值的脉冲数也称“振铃计数” Nt 来反映能量的大小。

式中:a—衰减系数
Vo—放大器设定的阀值电瓶
从式(l)、(2)中可见,如果选取适当的频率作为泄漏的中心频率,采用适当的滤波措施,消除背景噪声的干扰,可根据振铃数或者用单位时间内的振铃计数(声发射率 AErate)的大小来判断泄漏的程度。
二、检测硬件
利用声发射换能器,使其与阀门紧密接触,将声信号转换成电信号,经过放大、滤波、比较和频压转换,最后输出显示(图 1)。

图 1 检测原理
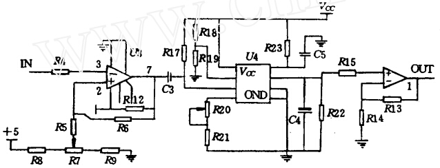
因为换能器接收的是声级较低的声发射信号,故转变成电压信号时输出也比较小。如果选择 0…20mV 的三位半数字电压表头作为输出,表上的一个数字等效于 10μV,这就要求放大器的失调电压和全温度范围内温漂以及时漂要小于 l0μV,否则就无法测量。因此可选择高精度、低温漂的运算放大器 ICL7650 作第一级放大。放大后的信号进入带通滤波器中,带通滤波的中心频率决定于换能器的谐振频率和现场的噪声频率。经带通滤波去掉现场的噪声干扰信号,再利用比较器 LF31l 设置阀值电压,当信号幅度超过阀值 Vo 时,比较器有输出,输出送入 f/v 变换器中进行频压转换,数字显示。并可通过调节阀值电压调整灵敏度(图 2)。

图 2 部分电路原理
三、结语
利用生发射原理研制的检测仪,通过电厂的大量应用实践表明,它可有效的区别阀门的漏与不漏或者微漏,为现场检查提供了依据和手段。