3044永利集团
本书共分 7 章。主要介绍国内外工业管道及阀门的现状与发展;工业管道及阀门维修、安装必备的基本知识;管道布置和常用竹材、管件及附件;介绍管通和阀门的修理及安装;管道的试压与防腐保温;管道故障及维护。附录还介绍管路系统图形符号和图例。
本书可供管道、阀门机械设备维修人员和广大工程技术人员参考使用。
序言
由中国机被工程学会设备与维修工程分会主编,机械工业出版社 1964 年 12 月出版发行的 《机修手册》(8 卷 10 本),深受设备工程技术人员和广大读者的欢迎,曾于 1978 年和 1993 年两次再版和 6 次印刷,对我国设备管理和维修工作起到了积极的作用。
随着科技发展和知识更新,设备的更新换代,《机修手册》的内容已不能适应时代发展的要求,应该重新编写和修订。但是,由于工程浩大,力不从心。为满足广大设备管理和维修工作者的需要,经机械工业出版杜和中国机械工程学会设备与维修工程分会共同商定,从《机修手册》中选出部分常用的、有代表性的机型,充实新技术、新内容,以丛书的形式重新编写。
从 2000 年开始,中国机械工程学会设备与维修工程分会组织四川省设备维修学会和中国第二重型机械集团公司、中国航天工业总公司第一研究院、兵器工业集团公司、沈阳市机械工程学会、陕西省设备维修学会和陕西鼓风机厂,上海市设备维修专业委员会和上海重型机器厂、天津塘沽设备维修学会和大沽化工厂、大连海事大学、武汉钢铁公司氧气有限责任公司、广东省机械工程学会和广州工业大学、山西省设备维修学会和太原理工大学等单位进行编写。
从 2002 年开始.到现在已经出版 19 种。其中,2002 年出版了《液压与气动设备维修问答》、《空调制冷设备维修问答》、《数控机床故障检测与维修问答》、《工业锅炉维修与改造问答》4 种;2003 年出版了《电焊机维修问答》、《机床电器设备维修问答》、《电梯使用与维修问答》3 种;2004 年出版了《风机及系统运行与维修问答》、《发生炉煤气生产设备运行与维修问答》、《起重设备维修问答》、《输送设备维修问答》4 种;2005 年出版了《工厂电气设备维修问答》、《密封使用与维修问答》、《设备润滑维修问答》3 中。2006 年出版了《工程机械维修问答》、《工业炉维修问答》2 种。2007—2008 年出版了《泵类设备维修问答》、《段压设备维修问答》、《铸造设备维修问答》3 种。2009 年已出版与将出版的有《空分设备维修问答》、《压力容器设备管理与维护问答》、《工业管道及阀门维修问答》。
正在编写的有《矿山机械设备维护问答》、《焦炉机械设备安装与维护问答》。
我们对积极参加组织、编写和关心支持丛书编写工作的同志表示感谢,也热烈欢迎从事设备与维修工程的行家里手积极参加丛书的编写工作,使这套丛书真正成为从事设备维修人员的良师益友。
编写说明
管道及阀门在国民经济建设和人民生活中是不可缺少的设施。它涉及的领城较为广泛,例如:热能传递,给排水,各种气体,液体和物料输送。均要靠管道的输送来完成。
从 20 世纪 50 年代开始,管道的接口采用焊接结构代替螺纹联接。管道的材质从铸铁和碳钢单一品种发展为多品种。仅从钢的品种而言,就有碳钢、合金钢、耐热钢、耐酸钢、不锈钢等。有色金姚管材有铝及铝合金、铜及铜合金、铅及铅合金等。非金属管材有硬质聚氯乙烯管、水泥管、石棒水泥管、耐酸陶瓷管等许多品种。焊接工艺技术也随着管材有了新的发展。因此,甘道及阀门维修、安装也有了新的要求和国家新的标准检验。为此,中国机械工程学会设备与维修工程分会和机械工业出版社组织编写了《工业管道及闷门维修问答》。
《工业管道及阀门维修问答》 是结合我们的实践。对《机修手册》第 5 卷第 6 篇工业管道的修理进行了修订。并增加了管道及阀门维修、安装必备的基本知识,以及新检修标准和先进维修方法,对管道及阀门的使用、维护、检修都有一定指导作用。这是管道及阀门的管理、选用、维修、安装人员必备的一本新书。
本书第 1、3、7 章由王凤喜编写,第 2、4 章由黄进旗编写,第 5 章由朱?绫嘈矗? 6 章由杨晓滨编写,附录由徐游编写,孙先强也参加了部分编写。全书由蒋世忠,曾翰林审稿。本书在编写过程中得到中国策二重型机械集团公司总经理石柯,副总经理曾祥东。装备部长郭国英等的热情帮助和支持,在此表示感谢。
第 1 章 国内外工业管道及阀门的现状与发展
1-1 管道完整性管理技术的最新发展如何?
答:近年来,国外在管道完整性管理方面开展了大量的研究和实践。在 2006 年召开的国际管道会议上,介绍了美国管道完整性管理的最新进展和发展趋势,包括管道完整性管理的进展与实践、直接评价技术、内检测技术进展等方面,并对我国开展管道完整性管理工作提出了建议。
(1)概述
国际管道会议(International Pipeline Conference)是由美国机械工程师学会(ASME)主办的全球油气管道工业界的盛会。2006 年 9 月 24~29 日,国际管道会议在加拿大卡尔加里市举行。管道完整性管理 PIM(Pipeline Integrity Management),在此会议上依然是国际管道工业关注的热点,论文多大 95 篇,内容涉及管道完整性管理及技术的各个方面,体现了管道完整性管理的最新进展。
根据此会议情况,对美国危险液体管道完整性管理检查工作、直接评价技术和内检测技术的最新进展和发展方向进行了分析,并针对上述方面对我国开展管道完整性管理工作提出建议。
(2)对危险液体管道完整性管理工作的检查
2002 年 11 月,美国国会通过了专门的 H.R.3609 号法案—《管道安全增进法》,并于 2002 年 12 月 27 日 经总统签署后生效。此法案要求管道运营商在出现安全后果严重地区实施管道完整性管理计划,按照管道长度对管道进行了分类:长度超过 804km(500mile)的为一类管道,长度小于804km(500mile)的为二类管道。要求运营商在 2004 年 9 月 30 日前,完成一类管道 50% 的基线评价;在 2005 年 8 月 16 日前,完成二类管道 50% 的管道基线评价。
为检查管道运营商对法案的执行情况及进一步推进完整性管理,美国管道和危险物质管理局(PHMSA)从 2002 年 9 月开始,对危险液体管道完整性管理的实施情况进行了首轮检查。在首轮检查中,PHMSA 完成了所有一类管道以及部门二类管道的检查。截止 2005 年 12 月,并完成了 175 个危险液体管道的首轮检查,管道合计 273104km(169841mile),其中以确定为出现安全后果严重地区的为 121534km(75581mile)。在总结首轮检查经验的基础上,从 2005 年中期开始,PHMSA 及其州属管道安全机构开始对危险液体管道进行第二轮检查,重点在于落实首轮检查中发现的需要改进的地方以及高风险因素。
1)检查内容:根据《风险管理示范纲要》、《系统完整性检查指导纲要》,以及 APLI160《危险液体管道完整性管理》标准,对管道运营商建立完整性管理体系的要求。检查内容包括:①检查完整性管理方案的程序、执行情况和文档编制;②检查管道运营商完成的完整性评价;③检查内检测结果及问题识别;④检查修复和减缓计划;⑤确认是否按法规要求的时间进行修复;⑥检查试压记录是否按联邦法规 49CFR495 执行,检查运营商对所有实验失效的评估;⑦确认预防和减缓措施是否得到执行;⑧检查组进一步对资产、实际修复、直接评价及完整性管理方案相关的内容进行全面监督。
2)检查结果:绝大多数管道运营商已经建立并执行了完整性管理体系,基本掌握了后果严重地区的管段,并按照规则要求,对这些地区进行了完整性评价。截止 2005 年 12 月,已经完成了 86% 的危险液体管道的基线评价,只有极少数运营商未在最后时限前完成 50% 管段的完整性评价。在首轮检查中,PHMSA 对 1200 个需要“立即修复”的缺陷处理情况进行了核实。除需要立即修复或 60 天、180 天之内必须修复的情况外,运营商也修复了大量的其他异常情况,运营商也修复了大量的其他异常情况。行业数据显示,2004 年共有 11674 种情况被修复或减缓,包括影响后果严重地区和非影响区域。
PHMSA 总结首轮检查经验,就以下方面提出了改进意见:①数据整合。有效的数据整合是完整性管理的关键,目前已经开发了一些工具和方法,对不同类型数据进行组合分析,但这方面的工作还处于开始阶段。②对内检测结果的响应。部分运营商没有利用内检测的结果进行分析,未及时根据内检测结果制定并执行修复或减缓计划,从而影响了对内检测结果的有效利用。③风险分析。多数运营商已应用风险分析技术,对进行基数评价的管道进行排序;但一些运营商所运用的风险模型,还没有覆盖管道风险的全部范围,仍然需要改进分析方法以覆盖所有风险,尤其是要整合所有数据来恰当地评价管道风险。④预防和减缓措施。首轮检查中发现许多运营商缺乏预防和减缓措施的分析,包括对捡漏能力及紧急情况处理能力的评估。在已经开始的第二轮检查中,还未见到明显的改进。⑤持续的评估和评价。完成基线评价后,在如何合理确定周期评价的时间间隔方面,需要进行进一步研究,应着重于分析运营商进行周期评价的实施效果。⑥完整性管理实施细则。APLI160 是完整性管理的通用标准,运营商还应建立实施细则,以增强完整性管理的有效性。⑦完整性决策和分析的技术基础。运营商仍然没有充分的利用历史数据,来决定风险因素和再评价;另外,对历史数据不充分情况下的决策分析方法有待改进。PHMSA 希望有更多的技术和方法,作为完整性决策和分析的基础。⑧完整性程序文件。文件编制的完整性和质量,是完整性程序的关键要素。许多运营商对评价记录、修复记录、文件的编制过程、技术验证、决策基础缺乏足够的重视。
(3)直接评价技术的进展
内检测、试压、直接评价是管道完整性评价的三种主要方法。尽管智能检测器在不断更新,但仍有许多管道不能使用内检测设备,试压法是针对一些特定管道的评价方法,但要求管道在停输状态下使用。对无法进行内检测和试压的管道,可以选择使用直接评价技术进行完整性评价。与内检测、试压等传统评价方法相比,直接评价具有成本低、易实施等特点。近年来,许多管道运营商在完整性管理方案中,已经列入了直接评价技术,例如:在 Gasunie 公司管辖的 12000km 的高压管道中,仅有 50% 适合进行管道内检测,该公司从 2005 年开始,对不适合内检测的管道进行直接评价。
1)直接评价方法及相关技术:直接评价是一种把管道的物理特性、操作历史与管道的检测、检查结果结合起来,采用不开挖检测技术(一般为地上或间接检测)、并根据检测结果进行开挖和检查,来确定管道完整性的方法。一般分为预评价、间接检测、直接检查、后评价四个步骤:①预评价。通过数据收集和分析、确定直接评价是否可行,划分评价区域和选择间接检测工具。②间接测评。主要为地面检测,目的是确定涂层缺陷严重程度、其他异常及管道上已发生或可能发生腐蚀的区域。③直接检查。根据间接检查结果的分析,来选择开挖点位置和数量,并在开挖后对管道表面直接检查。④后评价。验证直接评价方法的有效性,并确定下一次评价的时间间隔。
直接评价按照管道的威胁因素,分为外腐蚀直接评价(ECDA)、内腐蚀直接评价(ICDA)和应力腐蚀开裂直接评价(SCCDA)。
ECDA 方法已较成熟。2002 年,美国腐蚀工程师协会(NACE)提出了 ECDA 方法的推荐标准 NACE RPO502-2002《管道外部腐蚀直接评价推荐作法》。
ICDA 方法分为三类,分别适用于干气、湿气和液体管道。目前针对干气的 ICDA 方法,还有还有许多技术难题要克服。
SCCDA 方法步骤与 ECDA 相似,重点是识别容易发生 SCC 的情况和评估可疑的管道系统。此方法适用于高 pH 值的 SCC(传统的)和接近中性 pH 值的 SCC(新型 SCC)。目前,北美已着手建立应力腐蚀开裂的直接评价方法。针对应力腐蚀开裂压力试验间隔时间的方法的研究也有了新的进展。
直接评价方法是实施,需要间接检测方法作为技术支持。为提高检测可靠性,NACE 要求运营商使用两种或更多间接检测工具,已对检测结果相互验证。
常用的间接评价及时有直流电位梯度检测技术(DCVG)、密间隔电位检测技术(CIPS)、交流电流衰减技术、电压差技术等。
直接点位梯度检测技术用来探测和查明涂层缺陷。其原理是:在施加了阴极保护埋地管线上,电流经过土壤介质,流入管道防腐层破损而裸露的管道处,在管道防腐层破坏处地面上形成一个电压梯度场。在接近破损裸露点部位,电流密度增大,电压梯度增大。一般情况下、电压梯度与裸露面积成正比例关系该技术能检测出较小的防腐层破损点、并可以精确定位,误差为 ±15cm。这是世界上比较先进的埋地管道防腐层缺陷测试技术。
密间隔电位检测技术是当今尖端的检测技术之一,是一种用来提供管道对地电位与距离关系的地面检测技术,能指示管道沿线的阴极保护效果,指出缺陷的严重性,并自动采集数据。其缺点是工作人员需携检测设备沿管道连续测量,其检查结果不能指示图层的剥离情况,还可能受到干扰电流的影响使用范围受到一定的限制。
交流电流衰减技术采用等效电流原理,来评价防腐层绝缘电阻。当外加交流电流流过管道时,在管道周围产生相应的磁场。当管道外防腐层完好时,随着管道的延伸,电流较平衡,无电流流失现象或流失较少,其管道周围产生的磁场比较稳定;当管道外防腐涂层破损或老化时,在破损处就会有电流流失现象,随着管道的延伸,其在管道周围磁场的强度就会减弱,这是目前国内外应用比较成熟的一种检测方法,可长间距快速探测整条管线的防腐层状况,也可缩短间距对损破点进行定位。
电流差检测技术原理是:在管道与大地之间施加的交变电压信号,通过管道防腐层破损点处时,会流失在大地土壤中;因而电流密度随着远离破损点的距离而减小,在破算点的上方地表面形成了一个交流电压梯度,经过滤波放大后,显示检测结果。
根据 2006 年国际管道会议上战士的最新研究结果,美国西南研究院和 CC 技术公司,开发了应用薄膜腐蚀传感器与移动无线技术相结合的检测管道内腐蚀的技术;中国石油天然气集团公司,开发了应用超声导波测量管道涂层内腐蚀技术;PETROBRAS 公司开发了应用声学发射技术的直接评价方法;Trans Canada 公司开发出了应用磁学的金属损失检测工具等。目前,结合 DCVC、CIPS、后处理差分全球定位系统(dGPS)三种技术的新型检测设备正在研发之中。
2)直接评价技术标准:美国腐蚀工程师协会(NACE)正在或已经编制了ECDA、DG-ICDA(干气)、WG-ICDA(湿气)和 SCCDA 标准。ECDA 标准已经完成,也会并入该项规则。NACE 关于 DG-ICDA 的标准有望在近期出台;WG-ICDA 和液体管道 ICDA 的初稿还处于编制的前期阶段,有望在 NACE 2007年国际腐蚀会议上进行讨论。
3)专题研究工作:为加强完整性相关技术的研究,美国国会加大了对 PHMSA 管道安全研发项目的支持力度。经过过会的授权,PHMSA 重点资助了一些研发项目,以加强美国能源运输和配送管道的安全性、可靠性和合乎环境要求的操作工艺的解决方案。从 2002 年开始,PHMSA 一共支持了 25 个与直接评价技术相关的研发项目,一些工业组织、管道运营商、管理者和研究机构共同为这些项目提供了近 1400 万美元的资助。这些项目由美国、加拿大和欧洲的研究机构分别承担,重点在于扩大直接评价的应用范围,以及在直接评价过程中各项完整性技术的整合。国际管道研究会(PRCI)、美国天然气协会(AGA)和美国能源部州际天然气协会(INGAA)等组织,也对许多企业和项目进行了赞助。
这些专题研究包括了实际效果研究、间接检测设备应用效果、流体力学模型、直接评价的不正确性和可靠性、对实践的总结等,具体有以下几个方面:①对 ECDA 和内检测数据进行对比,以对 ECDA 方法进行验证;通过实例论证 NACE 发布推荐的有效性;对复合管、光管、岩石区和其他难以进行 ECDA 评价的情况进行试验;对不合适进行 ECDA 评价的条件进行研究;针对难以进行 ECDA 的区域开发机器人系统。②检查验证 DG-ICDA 作为预测内腐蚀位置的方法,开展对 WG-ICDA 的初步研究。③评估导波技术的有效性,研究对远距离超声导波信号的增强及区域扩大可能性的评估;远距离超声导波与计算机终端的数据处理和通信系统结合技术;加大地面检测管壁金属损失工具的研发力度,使之能与智能检测器技术抗衡。
PHMSA 和美国管道安全代表协会(NAPSR),联合组织美国能源部州际天然气协会(INGAA)、美国天然气协会(AGA)、美国腐蚀工程师协会(NACE)、美国民用天然气协会(APGA)举办了论坛,专题讨论与天然气完整性相关的直接评价技术。PHMSA 向管理者和行业推介直接评价研发的现状,提供直接评价实施的典型案例。并讨论 NACE 有关 ECDA、ICDA、SCCDA 标准的进展情况。
直接评价技术将不断为现在难以评价的区域,提供改进了的解决方案。直接评价不仅作为一种制药的评价工具,同时作为智能检测器和试压的辅助工具,将具有更加广泛的应用前景。
(4)内检测技术的进展以及存在的问题
随着完整性管理的发展,需要精确可靠的数据,来执行先进的完整性评价计划和优化方法;对内检测器的精确性、可靠性、可重复性、可对比性以及高分辨率等方面,提出了更高的要求。各种检测技术不断发展,应用各种原理的管道智能内检测不断更新,内检测技术取得了实质性的进展,但仍然存在一些问题。
1)裂纹内检测技术:目前最适合于检测裂纹的技术是超声波方法,脉冲波在管道内表面和表面反向产生周向横波;如果脉冲遇到裂纹,他就会原路返回并被变换器接收,由此检测到该裂纹的存在。其主要优点是能够提供对管壁的定量检测,具有较高的数据精度和置信度;缺点是需要耦合剂,应用于输气管道时较复杂。
德国 ROSEN 公司研发出一种新型高分辨率超声波检测器。该探测器使用电磁声波传感检测技术(EMAT),提供了能有效和精确地检测裂纹的新方法。研究人员花费 2 年的时间,验证 EMAT 传感器的技术和设计,从实验室获得的大量数据,证明了 EMAT 作为探测管道应力腐蚀开裂和其他结构缺陷的可行性。这一新型检测器已经通过了工业试验,可以判断 SCC、涂层剥落、其他裂纹缺陷、异常沟槽、人为缺陷等。该技术最大优点是借助电子声波传感器,代替了传统的压电传感器,使超声波能在一种弹性导电介质中得到激励,不需要机械接触或液体耦合,是适用于天然气管道的超声裂纹检测器,其检测指标见表 1-1。
| 工具参数 | 检测参数 | ||||||||
| 温度范围/℃ | 最大工作压力/MPa | 速度范围/(m/s) | 最长操作时间/h | 弯曲半径 | 距离/km | 壁厚/mm | 最小检测临界值/mm | 轴向经度/(°) | |
| 深度 | 长度 | ||||||||
| 0~65 | 15 | 0.3~5 | 72 | 3D | 120 | 5~20 | 1 | 20 | ±18 |
注:D 为管径
传统的裂纹探测器可检测的裂纹长度最小临界值为 30mm。由表 1-1 可见,新型检测器的裂纹长度最小临界值达到 20mm。
2)同时进行金属损失和裂纹的内检测技术;金属损失及裂纹是管道的两大主要缺陷,存在于管道的整个生命周期内。在现有技术条件下,管道运营商必须分别使用裂纹探测仪和金属损失检测仪,对管道的金属损失和裂纹进行检测,这会花费巨大的精力和财力。
2006 年的国际管道会议上,美国 GE-P Ⅱ 和德国 NDP 公司分别推出了一种先进的内检测器。应用新一代超声、电子技术与相控阵技术相结合,对超声波传感器进行了全新的设计,把金属损失、壁厚及裂纹检测功能融为一体,实现了一次通过可以同时检测出管道的腐蚀和裂纹。
该技术的特点是:电子设施控制的超声波束允许一次通过检测金属损失和裂纹;优化的传感器、超声波束及大量的测量通道,实现了覆盖整个管壁圆周的高分辨率;可敏感地探测小的凹陷和腐蚀造成的裂纹。
相控阵技术与传统超声技术相比,报本改进在于:传统无损检测技术使用的超声波束的形状及传播方向.被每个传感器所固定,每个独立的传感器被固定排列,如果测量条件改变,则必须改变传感器的排列类型;相控阵技术所使用的传感器的排列和发射模式是程序化的,每个独立的传感器具有可以发射不同方向及不同声束特性的功能,当测量条件发生变化时,超声波束的设置全部由计算机界面执行操作,不需要再对传感器进行人工校准。
GE-P Ⅱ 公司的一次通过可同时检测金属损失及裂纹的新一代超声波检测器,已经在 2005 年 3 月应用于欧洲一条管径为 609.6mm(24in)的成品油管道,并于 2005 年 9月,对北美一条管径为 863.6mm(34in)的原油管道进行了检测。这两条管道以前均使用过金属损失检测器和裂纹检测器,与以往的检测数据进行对比表明,可以是圆周分辨率从 8mm 提高到 3.3mm。相控超声技术内检测器不仅分辨率高,节约时间和费用,同时检测数据具有高效的精确度和可靠度。
3)机械损伤检测技术:机械损伤来自对管道表面的直接冲击,包括岩石与管道的直接接触、不适当的建设行为以及第三方挖掘等。有些损伤在未被发现情况下会维持相当长的时间,从而进一步形成腐蚀或裂纹,有可能导致管道以后的失效。目前,机械损伤已经成为导致管道失效的主要原因之一。管道运营商希望通过使用适当的内检测工具,可以检测各种原因造成的、影响管道有效内径的几何异常现象,并确定其程度和位置。
最近两年,几何检测要求提高了,其中对凹陷尺寸的最小要求是:高分辨率的几何工具应该能够探测和定位深度大于等于 6.35mm(0.25in)的凹陷,而再用的几何检测器现状是:对椭圆变形和大的变形难以提供凹陷评价的有效信息,基于 78 例现场挖掘证实,其探测率仅为 32%,无法满足要求;对凹陷和椭圆变形的特征仍然没有一个适当的缺陷评价技术。对凹陷和机械损伤的高质量内检测过程,应能提供要求的信息,如凹陷的几何形状和数据,这些都对探测器机械损伤的内检测提出了更高的要求。
漏磁(MFL)技术应用于管道内检测,已有超过 40 年的时间,一般用来探测腐蚀造成的金属损失,是目前最适宜的腐蚀检测技术;但由于机械损伤产生的漏磁信号,不能很好地判断的 MFL 技术很少用于检测机械损伤带来的缺陷,在识别第三方破坏方面效果不佳。来自凹陷的漏磁信号的解释困难由以下原因造成:机械损伤的漏磁信号在几何和应力的作用下是重叠的;机械损伤区域的应力分布十分复杂,包括塑性变形和残余应力。
由于楼此技术被认为是最具有成本效率的内检测方法。管道运营商、管理者和研发人员都希望提高漏磁技术检测机械损伤的灵敏度,从而使漏磁探测技术有效应用于机械损伤缺陷的识别。目前该项工作有了以下新的发展:①德国 ROSEN 公司开发出用于内检测器的新一代几何传感器,可以提供高精度的管道内部轮廓的几何数据,如能探测到的最小凹陷是 4.47mm(0.176in)。这种传感器结合了非接触远距离测量法与测径器手臂的优势,允许传感器在高动态运行载荷作用下工作;该传感器与导航器、高分辨率漏磁检测技术相结合,推进了机械损伤检测工具的发展。②加拿大 BJ 公司开展了基于三轴漏磁信号是识别凹陷特性的研究。应用三轴楼此工具检测小凹陷(深度少于直径 1%)的技术已经有了重大进展,其检测能力已在现场挖掘中得到了验证。该项技术目前具有国际领先水平。
4)金属损失检测技术:过去几年里,人们重点关注了金属腐蚀的最小检测深度;而现在对于金属损失普遍关注的,是对腐蚀引起的金属损失的探测、定位和尺寸测定。早期的漏磁检测工具仅能探测大面积的腐蚀或腐蚀群。由于检测其设计、传感器、电子学和其他要素的改进,新型检测工具已经具有探测小缺陷能力,预测的缺陷尺寸也更加精确,并通过多种途径进行了很大的改进,如大多数低分辨率检测器,测量漏磁场仅在一个单一方向,现在高分辨率检测器的检测范围是两个或是三个相互垂直的方向,取样率、特定距离收集的数据样本和时间间隔也大大增大。
加拿大 BJ 公司应用三轴漏磁技术的轴向磁场 MFL 检测器研究,有了一定的进展。在三轴传感器中,有三个单独的、互相垂直的传感方向;轴向传感器记录沿管道的平行方向;径向传感器记录管道垂直方向;环向传感器记录圆周方向。第四个传感器称为旋转传感器,被用来识别内外部的区别,也帮助识别和进行特征分类。这类高分辨率漏磁检测器,可识别的金属损失特征有金属增长和金属损失、复杂腐蚀情况、延长的轴向缺陷、制造缺陷、建设缺陷、焊缝裂纹、凹陷、折皱、圆凿、圆周裂纹等。一般认为凹陷、折皱等管道凹陷无法被 MFL 识别,因此漏磁技术中关于非腐蚀特征的进一步研究变得更加重要,这仍是目前漏磁技术研究的方向
5)内检测技术存在的问题及发展方向:经过多年应用,内检测技术已经成为评价管道缺陷和确保管道完整性的首选技术。高分辨率的内检测器(几何、腐蚀、裂纹)可探测、定位、测量并显示管壁上的异常。这些异常可以表示为几何变形(凹陷、圆凿、椭圆变形、折皱、弯曲)、腐蚀、裂纹和其他缺陷。但是、研究世界上最近发生的危险液体和天然气管道事故,却发现一些内检测结论为可继续运行的管道,在内检测后的 6~12 个月内就发生了失效事故。
2005 年,美国管道安全办公室发布的数据表明,这些经过检测却很快出现故障的管道,失效原因中,缺陷未被探测到的占 51%;对缺陷特征低估的占 32.3%;错误辨识的占 16.7%。这种现象对内检测器及相应的内检测器技术提出了质疑,文献指出了内检测器面临的问题和发展的问题。
内检测其已经从纯粹的检测工具,转变为一个精确地测量手段,目前面临的问题如下:①管道测量的目标处在一个复杂、连续、变化的内部环境(压力、温度、腐蚀等)和外部环境(周围土壤、腐蚀、第三方干扰等)。②内检测器运行过程中,其关键部件可能会失效,但无法及时更换。③智能检测器的运行参数不稳定,如速率、磁场、检测期间传感器故障。④实际存在的缺陷数量大于被内检测器检测到的数量,缺陷的实际大小一般大于内检测器给出的数据。⑤创建一个内检测方法与对比标准非常困难。
分析以上情况,内检测技术应该在以下方面进行改进:①需要进一步改进内检测器的基本原理和技术,以改进现有内检测技术存在的未探测到、低估危险及错误辨识等方面的性能。②对内检测数据进行整体的统计分析,确定内检测遗漏和错误辨识的缺陷的数量、尺寸和位置,评价内检测器检测到的缺陷的实际数量和尺寸。③对各种内检测数据的差异进行对比分析,以对测量错误进行归纳、验证检测器、现场和计算机数据。
(5)工作建议
完整性管理是保证管道安全运行的有效手段。中国管道行业已经初步建立起完整性管理的理念,开始制定完整性实施计划及相关技术标准,并已经对陕京管道、广东 LNG 管道等进行了内检测实践,取得了良好的效果。为了更好地开展完整性管理,现结合国际上完整性管理的最新进展,提出以下建议。
1)提高对直接评价的重视程度。由于内检测技术适用范围的局限性,相当数量的管道需要通过直接评价技术进行完整性评价。应该加强对直接评价技术的研究,适当引进直接评价技术,对不适合内检测评价的管道进行完整性评价,提高完整性管理技术水平。
2)制定并监督实施强制性的完整性评价计划。在国内缺乏强制性法律的情况下,各大石油公司应该制定包括直接评价和内检测等评价方法在内的完整性评价计划,提出强制性要求,使管道完整性管理从试点逐步纳入规范化管理的轨道。
3)加强行业数据库建设。注重整个管道行业的管道失效等数据收集和分析,为完整性管理提供参考;在开展内检测实践的基础上、加强对内检测数据和结果的对比研究,提高对内检测技术的认识。
4)加大对完整性管理技术的研究力度。密切跟踪国外最新技术发展状态,有计划地开展直接评价技术和内检测技术的研究,加大研究投入,培育具有自主知识产权的评价技术。
1-2 十一五期间中国钢管市场有哪些需求?
答:十五期间中国钢管市场消费结构的变化,反映了十一五期间中国钢管发展的经济背景,分析了中国钢管市场主要用户的要求,从宏观层面对钢管和钢材市场的动态比例关系进行了评估,对十一五期间中国钢管市场需求惊醒了预测。
(1)十五期间中国钢管页的发展情况
十五期间,中国钢管产量由 1153.10×104t/a 上升到 2614.11×104t/a,五年间上升 1461.10×104t/a,年均增加 292.2×104t/a。由于产能不断增加,从十五初期的生产能力不足,已转为生产能力过剩。中国钢管十五时期的产量和构成比例见表 1-2。
| 年份 | 焊管/104t/a | 无缝管/104t/a | 钢管总产量/104t/a | 钢材总产量/104t/a | 钢管产量占钢材产量的比例(%) | 焊管占钢管的比例(%) | 无缝钢管占钢管的比例(%) |
| 2001 | 640.36 | 512.70 | 1153.06 | 16170.00 | 7.13 | 55.54 | 44.46 |
| 2002 | 830.59 | 610.00 | 1440.59 | 19404.00 | 7.42 | 57.66 | 42.34 |
| 2003 | 1030.77 | 733.90 | 1764.67 | 24082.00 | 7.33 | 58.41 | 41.59 |
| 2004 | 1301.26 | 848.05 | 2149.31 | 29903.00 | 7.19 | 60.54 | 39.46 |
| 2005 | 1567.06 | 1047.05 | 2614.11 | 37117.02 | 7.04 | 59.95 | 40.05 |
由表 1-2 可知,五年来,钢管产量和表观消费量平均以 22.46% 和 19.77% 的幅度高速增长。2003 年以后,钢管自给率逐渐呈供大于求的局面,即自给率大于百分之百进口管。中国钢铁工业协会指出:管材在钢材表观消费总量中的比例,2000 年为 6.61%,2005 年为 6.42%,变化不大。其中,无缝钢管由 2000 年的净出口 3×104t,转为 2005 年净出口 71.4×104t;焊接钢管由 2000 年的净出口 3×104t,转为 2005 年净出口 124.5×104t。管材在国内市场的国产化率已达 95.5%。
十五期间中国钢管业的发展情况表明,中国钢管业已进入供大于求的新阶段。这给十一五期间中国钢管业的发展以新的启示。
(2)十一五期间钢管市场需求分析和评估
1)十一五期间中国钢管业发展的经济背景:处于中国工业化由中期阶段向后期阶段的过渡时期,是中国钢管业发展的拐点。这意味着钢管产量和消费量由高速增长,过渡到持续、快速增长,钢管业发展的增速放慢。当我国工业化基本实现时,钢管产量和消费产量将到达历史峰值。这个时期,中国经济仍然只要是靠投资和外贸拉动,由粗放型增长方式向集约型增长方式过渡。十一五期间中国钢管业就处在这样两个过渡时期的发展阶段。
十一五期间规划经济发展的态势是又好又快,其着力点是创新、节能和环保。至于 GDP 增长率,十一五前两年(2006 年和 2007年)预计分别是 10.7% 和 8%。平均为 9% 左右。预计后三年可能是 7.5%~8%。十一五期间 GDP 增长率平均约为 8%。中国钢铁协会预测 2010 年我国粗钢消费达到 4.9×108t,钢材消费达到 4.7×108t。这个预测是在总结十五期间预测的经验教训基础上得出的。
2)十一五期间钢管市场的需求评价:十一五期间,中国能源需求强劲是中国钢管行业发展的直接动力。预测 2010 年将消费(25~33)×108t 标煤,十一五期间能源建设将投资 3.5 万亿元。到 2020 年,我国能源工业累计投资将达到 10 万亿元,从 2005 年起,每年投资 7000 多亿元。其中 2020 年煤炭生产能力将达到 28×108t,年均投资 700 亿元;2010年石油产量将达到 1.8×108t,年均投资 500 亿元;2010 年天然气产量达到 1100×108m³,年均投资 300 亿元;2010 年电力装机,包括火电、水电、喝点、天然气发电、风电等新能源发电达到 7×108Kw,年均投资 5000 多亿元。
①煤炭用钢管。煤炭用钢管的数量比较大,用途也比较广。按钢管占 20% 来估计,支护用钢管 2006~2010 年共用 990×104t;矿用带式输送机拖辊等设备和排水、通风用钢管 130×104t。由此可见,煤炭用钢管共计约 1120×104t。
②石油天然气钢管。石油天然气用钢管的主题市场是中石油、中石化和中海油三家石油巨头,其用途主要是油井管、油气长输管线钢管。
2006~2010 年共计需油井管 1800×104t。石油行业十一五期间油井管和管线钢管用量之和约 3800×104t。
③化工用钢管。十一五期间无缝钢管、焊管等共计 900×104t。
④电力用钢管,包括火电用钢管(蒸汽管、高压给水管等)、核电用管(传热管)、水电用钢管(焊接钢管、压力管)、风电用钢管(焊管)、电网用钢管(输电塔一般用角钢改为用焊管)。以上电力用钢管 2006~2010 年总计需求量 575×104t。
⑤钢结构用钢管。钢结构的发展同城市化有密切的关系。华东、中南仍是我国钢结构消费的主要区域,西北、西南地区的消费比重呈增长势头。十一五期间,中国城镇化率将由 2005 年的 43%,上升到 2010 年的 47%,农村人口转移到城镇约 8545×104 人,年需建筑用钢约 2655×104t。其中,东南部 844×104t,中部 1046×104t,西部 765×104t。五年共需建筑用钢材约 1.3275×108t。
国内一般以上的钢材用于建筑行业,推算出 2006~2010 年,钢结构用钢管需要 600~700×104t。
⑥房地产用钢管。房地产用钢管包括三个方面:一是钢结构,见⑤中分析;二是城市地下给排水、热力、通风管道;三是住宅用来水镀锌钢管。十一五期间城市地下水及热力管网,年需钢管平均约为 50×104t;地面房屋用镀锌钢管平均约需 800×104t;十一五期间房地产用钢管量约 4250×104t。
⑦汽车工业用钢管。2005 年我国汽车产量为 500×104 辆,2006 年达到 650×104 辆,2007 年可达 850×104 辆,2010 年将超过 900×104 辆。关于汽车用刚量的评估,按 2005 年汽车用钢管 24×104t(其中无缝管 16.91×104t,焊管 7.09×104t)来推算,十一五期间汽车用钢管量约 160×104t。
⑧造船工业用钢管。目前世界造船市场处于发展的高峰期。在世界海运贸易增长的推动下,尤其是在中国,石油、矿石进口持续快速增长和集装箱货运增速上升的推动下,2005 年我国制船行业产量突破 1222×104t 载重吨,同比增长 41.86%,占世界产量的 18.2%,2006 年造船产量为 1500×104t 载重吨,用钢材 600×104t,其中管材占 7%,约为 42×104t。2006~2010 年我国造船达到每年平均 830×104t 载重吨,总计为 4152×104t 载重吨。按 2006 年船用钢管量为基数,推算十一五期间我国造船工业用钢管量为 250×104t。
⑨集装箱行业用钢管。我国集装箱行业在产销上已连续 14 年居世界第 1 位,生产集装箱所用钢材为耐候钢,主要有热轧薄板(1.6~6.0mm)、型钢和焊管。预计 十一五期间集装箱需求焊管将达 105×104t。
⑩机械工业用钢管。中国机械工业有庞大的内需支持,同时其有明显的国际比较优势,是今后国际重点振兴的产业。到 2010 年将投资 3555 亿元,占国民经济总投资的 4%,增长速度为 47%,产销总体呈平稳发展趋势。
机械工业的机床工业,欧、亚、美三足鼎立,欧洲势强,德、日、美争雄。机械工业发展如何,标志着一个国家技术水平的高低。
机械工业钢材用量的主要行业有:重型矿山机械、工程机械、通用机械、农业机械、石油及化工机械。此外,还有零部件制造业,增速为 20%;制冷及空调机械制造业,增速为 15%~20%;环保机械制造业增速为 17%;文化办公机械制造业增速为 15%;食品及包装机械制造业增速为 10%~15%;液压、气动、密封件制造业增速为 10%~15%;印刷机械制造业增速为 10%;轴承制造业增速为 8%~10%;内燃机制造业增速为 5%~8%;工程机械制造业增速为 5%。
据不完全统计,机械行业 2004 年消耗钢材 4500×104t,2005 年消耗钢材 5200×104t。2006 年机械工业产销同比增长 15%,由此,预测十一五期间机械工业用钢量为 2200×104t 左右。
机械制造业用管以大中直径、中厚壁碳结钢和低合金钢管、无缝钢管为主。用无缝钢管代替实心段坯制造缸、筒、轴、辊、滚筒、轴承、管模等中空体和结构体,可节约钢材 20%~30%。又如压力容器、高压气瓶年需无缝钢管约 10×104t。机械用管中,大中直径无缝钢管约占 30%。近几年,年消耗无缝钢管(150~160)×104t,约占无缝钢管消费的 15%。美国的机械结构管消费比例,1997 年为 29.4%,2002 年保持在 24%。随着我国机械装备业的发展,我国钢管用于机械结构管的比例还会增加,将达到 20% 左右。
⑪轻工业用钢管。轻工业是我国净出口量较大的行业,2005 年出口顺差为 1400~1500 亿元,增长幅度较大。由于国际竞争激烈,需要钢材品种升级换代。
轻工业用钢管涉及自行车、影剧院、体育场馆、会议厅设备(座椅等)、健身器材、家电、家具、医疗机械、小五金、旅游用品等。2005 年自行车用钢材 185×104t,其中焊管约 110×104t,由此,预测十一五期间轻工业用钢管约 880×104t。
⑫铁路(车辆)用钢管。十一五期间将加大综合交通运输体系投资力度投资总额 65219 亿元增长 18.6%。尽管如此,与国际交通运输发达国家相比,仍由较大差距。从路网密度来看,美国每万平方千米国土面积就有铁路 200km,印度有 211km。我国 2005 年年底全国铁路总营业里程为 7.5×104km,每万平方千米地面积铁路仅为 78.11km。
十一五期间国家将继续加大铁路网建设,将重新线 1.7×104km,相当于八五、九五和十五总和的 1.3 倍。铁路车辆由于主要干线提速,需要新购机车 7300 台,到 2010 年需新购货车 22×104 辆,新购客车 2.6×104 辆。因此,未来几年的铁路车辆用钢市场潜力巨大。
火车车厢用钢管主要包括三个方面:一是车厢钢结构件,例如用方矩形钢管制作箱梁;二是配管;三是为了提速、减重和安全,用锻轧的空心轴代替实心轴。目前年需低和金钢车轴(15~20)×104t。
综上所述,十一五期间铁路(车辆)用钢管约 200×104t。
⑬港口建设用钢管。我国钢铁工业正在向沿海地区发展,如鞍钢、首钢、唐钢在沿海地区建设钢铁钢铁大厂,配套的港口建设正在发展之中。港口建设和跨海大桥都需要大量打桩用钢管。例如,杭州湾跨海大桥用的打桩规格为 ø1016mm×16mm,管长 72m,钢管用量很客观。螺旋焊管用于桩管较合适,一部分直缝埋弧焊管也可用于桩管。同时,铁路建设中桥梁也很多,以京沪高速铁路为例,就有 11 座特大桥需要大量打桩用管。预计十一五期间港头、码头、桥梁需要用作桩管的钢管月 250×104t。
十一五期间我国钢管出口量预计约 3000×104t。
1-3 俄罗斯 ø1420mm 直缝焊管生产线如何?
答:俄罗斯联合钢铁股份有限公司韦克松钢铁厂建成的 ø1420mm 直缝埋弧焊管生产线,主要设备有德国 SMS MEER 公司提供,采用 JCO 成形工艺,可生产单焊缝和双焊缝钢管。由铣边机、预弯机、步进成型机、预焊机、水压试验机、无损检测等设备组成。生产的 ø1420mm 焊管力学性能检测试验表明,完全满足油气输送管线要求。
| 钢管直径/mm | 钢级 | ||||
| K52 | K55 | K60 | K65 | K80 | |
| 530 | 33 | 30 | 27 | 25 | 21 |
| 630 | 38 | 36 | 33 | 30 | 24 |
| 420 | 41 | 39 | 35 | 33 | 26 |
| 820 | 41 | 41 | 40 | 39 | 30 |
| 1020 | 45 | 44 | 42 | 40 | 32 |
| 1220 | 48 | 47 | 46 | 42 | 40 |
| 1420 | 50 | 49 | 48 | 44 | 40 |
ø1420mm 焊管生产线大口径焊管的生产能力为 40×104t/a,其主要生产设备如下:
1)铣边机。为后续焊接保证最精确的板边几何参数。
2)预弯机。弯力 24MN,可同时从全长钢板两侧逐段弯曲板边。
3)步进成型机(JCO)。弯力 65MN,可同时在管坯全厂范围内的多个弯曲点上,将各坯段预弯向管坯中央,最终形成断面。
4)预焊机。在正式焊接前进行保护气体定位焊接。
5)自动焊机。采用埋弧多弧焊接工艺焊接工艺(3~5个电弧),进行内外焊缝的自动焊接。液压扩径机(扩径头扩张力为 21GN),可在全管长范围内逐渐进行钢管扩径、定径,保证钢管的几何尺寸精度并消除内应力。
6)水压试验机。最大试验压力为 55MPa。
7)无损检测设备。用于焊缝和罐体自动超声波检测、手动超声波检测、X 射线检测、磁粉检测等。
2005 年 4 月,韦克松钢铁厂第四钢管厂这套新生产线投产。再制造大口径厚壁管时,采用了谢维尔(北方钢公司)、Dillinger(德国)、Posco(韩国)等公司生产的宽厚热轧板,并与这些公司签订了长期供货合同。ø1420mm 钢管的力学性能见表 1-4.测试钢管的壁厚为 18.7mm 和 15.7mm,其热轧板分别有俄罗斯谢维尔公司和德国 Dillinger 钢厂供货。
| 板材供货厂 | 测试管数量/根 | 壁厚/mm | 刚拉强度/MPa | 屈服强度/MPa | 屈强比(%) | 伸长率(%) | ||||||||
| 最小值 | 最大值 | 平均值 | 最小值 | 最大值 | 平均值 | 最小值 | 最大值 | 平均值 | 最小值 | 最大值 | 平均值 | |||
| 谢维尔钢公司 | 47 | 18.7 | 593 | 677 | 621.7 | 515 | 612 | 548 | 65 | 80 | 68.3 | 20 | 27 | 22.7 |
| Dillinger | 42 | 15.7 | 609 | 693 | 649.3 | 488 | 625 | 539.9 | 78 | 90 | 83.1 | 20 | 23.5 | 20.9 |
2006 年 4~5 月,俄罗斯天然气科学技术研究院,对该厂 1420 机组生产的 X70 级管线钢管 ø1420mm×26.7mm 和 K60 级 ø1020mm×17mm 单焊缝钢管分别进行了试验。
试验中,在钢管试样表面制造了人工缺陷,然后在液压试验机上按要求进行试验,并对钢管的韧性进行了评价。
试验结果表明,所生产的钢管可用于施工温度 -60℃,运行温度 -20℃,工作压力为 9.8MPa 的油气输送管道的敷设和大修。这一结论已得到全俄天然气科学技术研究院和全俄钢铁科学技术研究院的正式认可。此外,天然气工业公司验收委员会在 2005 年 7 月 14 日 1 号会议记录中,也对该厂 ø1420mm×26.7mm 钢管的优良性能给予了肯定。
现已制定出天然气工业及石油输送管道用“大口径直缝焊管生产技术条件”。韦克松钢铁厂已开始对石油天然气公司供应这种钢管,并对试验设备进行了更新,以便对钢级 K70(X70),壁厚 50mm 的大口径直缝焊管的力学性能进行可靠的检验。新添的检验设备由 Zwick 公司提供,包括拉伸试验机、落锤撕裂试验机和冲击试验机。
除了 ø1420mm 大口径直缝焊管上产线外,韦克松钢厂还建立了钢管外防腐生产线,内防腐生产线于 2006 年 10月 投产。这两条钢管内、外防腐生产线的设备均由荷兰 Bauhuis 公司提供。
联合钢铁公司韦克松钢铁厂,是第一个批量生产出 ø1420mm 大口径直缝焊管的俄罗斯制管企业。俄罗斯巴顿焊接研究所,矿山技术监督局、重型机械厂、乌克兰国立黑色冶金设计院等单位的专家和一些外国专家,参与了 ø1420mm 大口径单直缝焊管的工艺设计、设备开发及投产调试。
目前该厂发展趋势良好,经营状况稳定,投资重点向着提高生产率和产品质量方面发展。这些将使人们坚信,韦克松钢铁厂在互利合作的基础上,能够为石油天然气行业提供大量优质的管线钢管,并已准备参与“俄北—欧洲天然气管道”和“东西伯利亚—太平洋天然气管道”的建设。
1-4 阀门用金属波纹管的选型与应用如何?
答:介绍金属波纹管在截止阀、闸阀、调节阀、安全阀和球阀等阀门中的应用、设计和选型。对阀门用金属波纹管在使用中出现的出现的问题给出了解决办法。
(1)概念:随着世界范围内环保意识的增强,人们对阀门的密封要求越来越高,特别是该装置以及石油和化工等特殊场合,要求阀门必须实现“零泄漏”。因此,苏联、德国、美国和日本等国家率先将金属波纹管应用于阀门领域,使波纹管阀门作为一个新产品首先在航空、航天、舰船和核工业等军工领域得到应用,并迅速在石油和化工等行业得以推广。
金属波纹管的作用主要是实现测量、连接、转换、补偿、隔离、密封和减震等功能。在波纹管截止阀和闸阀中的作用只要是隔离、密封和补偿功能,在自力式调节阀中,还与弹簧配套起到输出力和开区关闭阀门的作用。
用于波纹管阀门的金属笔文官只要有液压成形和焊接成形两种,是根据实际使用的阀门阀体高度、位移量、耐压能力以及刚度要求综合考虑选择何种形式的金属波纹。金属波纹管的材料主要是奥氏体不锈钢以及高温合金钢等,材料的选择主要是根据阀门实际使用介质腐蚀性和使用温度决定的。
由于近年来国内阀门行业发展非常迅速,如何在波纹管阀门设计时选择合适的金属波纹管成为行业上迫切需要解决的问题。
(2)术语:在对金属波纹管设计选型时,首先要明确金属波纹管的行业术语。
1)波纹管:一种弹性、薄壁、有多个横向波纹的管壳零件。
2)波纹管组件:由两个或两个以上零件组成,其中之一是波纹管,波纹管是一个或多个串联,其他是法兰等配件。
3)壁厚:成形波纹管的原始金属管的管壁厚度,对多层波纹管则是各层壁厚的总和。
4)形程:已原始长度为基点,波纹管压缩位移与拉伸位移之和。
5)扭曲:长波纹管进行轴向压缩时产生的柱失稳。
6)公称压力:与波纹管机械强度有关的设计给定压力。
7)公称载荷:正常工作条件下允许的最大载荷或满量程值。通常是预期设计值。超载载荷一般限定在额定载荷的 125%~150%。
8)额定位移:额定载荷下引起的位移,是正常使用条件下允许产生的工作位移。
9)波纹管刚度:使波纹管产生单位位移所需要的力,设计计算得出的刚度称为公称刚度或额定刚度。一般情况,公称刚度不直接受用实际值,而是产品原型经过测试后的修正值。
10)一次循环:波纹管随阀杆从全开到全闭再到全开的运动过程。
11)循环寿命:波纹管在规定压力、温度和轴向行程下往复运动而不破换的最大循环次数。相同产品的寿命与波纹管工作状态、循环次数、频率、压力和温度等有关。
12)有效面积:弹性元件在单位压力作用下,位移为零时转换的集中力的大小。但有效面积随压力增加而变化,因此具有不恒定性,在力平衡式仪表中,要配对筛选,做到有效面积尽量一致。
(3)结构
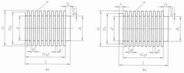
1)U 形波纹管:常用 U 形波纹管结构如图 1-1 所示。波纹管端部接口形式如图 1-2 所示。接口表示方法为外配合用 W(图 1-1a 中的 d1 尺寸)、沿波切边用 QD(图 1-1a 中 D2 尺寸)、内配合用 N(图 1-1b 中 D1 尺寸)。推荐采用图 1-2a、b、c 端部接口形式。

图 1-1 常用波纹管结构要素

图 1-2 波纹管端部接口形式
2)波纹管组件典型结构:保温管组件典型结构如图 1-3 所示。

图 1-3 波纹管组件典型结构
(4)选型
1)波纹管阀门典型结构:应用波纹管组件是为阀杆和阀体工艺流体之间提供一个可轴向变形的金属隔套,形成动密封,以消除阀杆处的泄漏。装有波纹管组件的阀门典型结构如图 1-4 所示。

图 1-4 装有波纹管组件的阀门典型阀杆密封结构
选型要求:①根据阀杆的直径选择波纹管内径,波纹管的内径应大于阀杆直径 1.5mm。波纹管的外径根据波纹管内径来选择。外径和内径通过外径与内径的比值相联系,一般情况下,外径与内径的比值为 1.3~1.5。②波纹管的壁厚、层数、波纹数及长度等应能满足波纹管的耐压、行程、循环寿命等要求。一般情况下,压力越大,波纹管的壁厚越厚,为了增大位移或者降低波纹管刚度,提高寿命,可以采用降低单层壁厚、增加波纹管层数的办法实现。③应设计导向结构,以防止波纹管的扭曲。同时还应避免波纹管与阀杆或阀体之间的局部接触,以防止磨损和过早失效。应设计防扭转结构,防止波纹管扭转变形。④设计阀门时,应限制波纹管压缩和拉伸的行程,以防止波纹管承受超出循环寿命试验限定的压缩位移和拉伸位移。一般情况下,波纹管的行程不应超过自由长度的 25%,否则会影响波纹管的循环寿命。特别是高温高压环境下的波纹管阀门。⑤波纹管采用与阀门相同的压力和温度等级。波纹管应能承受主体阀门 38℃ 条件下 1.5 倍的公称压力的压力试验。进行压力试验时,焊缝不能开裂、泄漏,波纹管不应发生扭曲。⑥波纹管组件材料应在允许的使用温度范围内选择,同时波纹管用材料具有良好的成形性能、焊接性能与介质的相容性。
3)阀门用波纹管选型标记:按照波纹管应用阀门公称尺寸不同分类,根据 GB/T 1047-2005 中的公称尺寸系列规定,波纹管应用阀门的工程尺寸可分为:15mm、20mm、25mm、32mm、40mm、50mm、65mm、80mm、100mm、125mm、150mm、200mm、250mm 等。

图 1-5 波纹管标识
(5)阀门用波纹管的检验:阀门用金属波纹管的检验项目主要有表面质量、几何尺寸、密封性、压力机循环寿命等。
1)表面质量:在标准照明条件下,目测观察波纹管表面及外形、其质量应满足 JB/T 6169-2006 的规定。
2)几何尺寸:用分度值为 0.02mm 的卡尺或其精确度相当的其他量具和仪器,检验波纹管的几何尺寸和公差应符合图样要求。图样未要求的公差应符合表 1-5 的要求。
| 序号 | 工程尺寸名称 | 允许公差 |
| 1 | 波纹管外径 D | ±1/2IT17 |
| 2 | 波纹管内径 d | ±1/2IT17 |
| 3 | 端部配合直径 D1、 D2、 d1 | h13、H13 |
| 4 | 端部配合长度 L1、L2 | ±1/2IT17 |
| 5 | 有效长度 L0 | ±1/2IT17 |
| 6 | 总长度 L | ±1/2IT17 |
3)密封性检验:由承制方组焊的波纹管组件应进行密封性检验,检验可用气泡检漏法。波纹管及其组件内冲入 0.6MPa 的压缩空气或其他无腐蚀性非可燃洁净的气体,保压 3min,在水槽中检查不应有泄漏现象。也可根据用户要求用氦质谱检漏仪检漏,不应呈现可探测出的渗漏。
4)压力试验:压力试验可在专用设备或阀门上进行。实验用水的氯离子含量不超过 25×10-7。按 JB/T 9092-1999 的规定,波纹管组件在室温或 38℃ 条件下,以 1.5 倍公称压力进行水压试验。
每个波纹管组件应固定在某一长度,此长度为常规阀门壳体试验时阀门开启位置的长度。在实验过程中应防止波纹管拉伸和压缩。压力施加应与波纹管工作时受压方式一致。进行压力试验时,焊缝不能开裂或泄露,波纹管不应发生扭曲。
5)循环寿命试验:可在专用设备或阀门上进行试验,当主题阀门需要时,应按照相关标准进行高温循环寿命试验。
循环的频率应考虑不正常的快速循环可能产生的过热。循环频率不应超过每秒一次。
循环试验应在室温或 38℃ 时的公称压力下进行。加压方式同压力试验一样。
每个波纹管组件咋循环试验之后应进行密封性试验,不应呈现可探测的渗漏。
除合同另有规定,波纹管的循环寿命应符合表 1-6 的规定。
| 阀门规格 | 最小循环寿命/次 | ||
| 公称压力/MPa | 公称尺寸/mm | 闸阀 | 截止阀 |
| PN≤14.0 | DN≤50 | 2000 | 5000 |
| 50<DN≤100 | 2000 | 5000 | |
| DN≤100 | 1000 | 2000 | |
| PN>14.0 | DN≤50 | 2000 | 2000 |
| 50<DN≤100 | 1000 | 2000 | |
| DN≤100 | 1000 | 1000 | |
6)出厂检验:出厂检验的项目和顺序按表 1-7 规定执行。出厂检验中有不合格项的波纹管,为不合格品。
| 序号 | 检验项目 | 出厂检验 | 型式试验 |
| 1 | 表面质量 | ● | ● |
| 2 | 几何尺寸 | ● | ● |
| 3 | 密封性 | ● | ● |
| 4 | 压力试验 | — | ● |
| 5 | 循环寿命 | — | ● |
注:● 为必检项目;— 为不检项目。
(6)结语:阀门是金属波纹管是波纹管阀门的核心器件,波纹管的设计及选用,关系到阀门使用安全,特别是波纹管阀门的应用领域都是重点工业领域和军工领域,在新产品试制是应进行型式试验,在选用时应适用于阀门使用系统的空况条件及金属波纹管的结构特性。
1-5 API 标准安全阀的开发与应用如何?
答:介绍 API (American Petroleum Institute 美国石油学会)标准安全阀的规范和特点,论述了在开发该产品中所进行的性能试验和流场仿真方面的研究工作。提出了推广应用的建议。
1)概念:我国的安全阀基本上是按照机械行业标准进行设计制造。20 世纪 70 年代以后,随着我国改革开放和国名经济迅速发展,从国外引进了大量石油、化工、能源、冶金和纺织等装置及设备,同时随机进口了大量国外安全阀。这些安全阀大部分是按照 API 标准设计、制造、试验和验收。由于 API 标准安全阀与 JB 安全阀相比,具有显着的特点和先进性,因而近几年来,一些企业要求,安装在易燃、易爆、有害或有毒介质的设备及管道上的安全阀,宜选用 API 标准安全阀。为了适应各类装置对安全阀的需求,对 API 标准安全阀进行了探讨和研究。
(2)特性
1)相关标准:与 API 标准安全阀相关的常用标准和规范如下。
API RP 520 炼油厂泄压装置的定径、选择和安装
第Ⅰ部分 定径和选择
第Ⅱ部分 安装
API Std526 钢制法兰泄压阀
API Std527 泄压阀阀座的密封性
API RP 576 泄压装置的检查
ASME 锅炉与压力容器规范第 Ⅷ 卷
第一册 压力容器泄压装置
ASME PTC25 泄压装置—性能试验规范
2)名词术语:API 标准的某些名词术语与我国国内习惯用语不一致,故予以说明。
①泄压装置(Pressure Velief Device)。泄压装置是防止工艺系统或承压容器由于事故或不正常工况期间流体压力升高而超过预定压力值。常有的有弹簧直接载荷式泄压阀、先导式泄压阀和爆破片等。
②泄压阀(Pressure Relief Valve)。泄压阀是一种泄压装置,在系统超压时阀门开启,而当系统压力恢复到正常后阀门关闭,从而防止介质继续外流。常见有的安全阀、泄放阀、先导式泄压阀等。
③安全阀(Safety Valve)。安全阀是一种由入口静压力驱动,并以快速开启或突跳动作为特征的泄压阀。其应用与可压缩流体。
④泄放阀(Relief Valve)。泄放阀是一种由入口静压力驱动的泄压阀,其开启通常与超过压力的压力升高成比例。其应用于不可压缩流体。
⑤安全泄放阀(Safety Relief Valve)。安全泄压阀是一种依应用情况而作为安全阀或泄放阀的泄压阀。
3)基本要求:
①安全阀的流道面积(代号)、进出口通径、压力级(磅级)、基本材料、压力-温度范围和进出口安装尺寸按 API Std 526 规定。
②安全阀的整定压力(Pa)允许偏差与整定压力有关。当 Pa≤0.5MPa 时,允许偏差为 ±0.015MPa。当 Pa>0.5时,允许偏差为 ±3%Pa。
③安全阀的设计和制造按 ASME《锅炉与压力容器规范》第 Ⅷ 卷规定。其基本条件包括机械动作,材料选择、制造及装配的检查制造厂及装配厂的产品试验、设计、焊接及其他等七个方面。
如对阀瓣、阀座、弹簧、导套、提升装置的结构设计和材料选择要求,对制造厂及装配厂的制造、实验设备和质量控制程序的要求,如受压件的强度和气密试验要求、对实验装置、容器和试验方法的要求等。
④标以 ASME《锅炉与压力容器规范》第 Ⅷ 卷标志的泄压阀的排量验证试验应在不超过开启压力的 10% 或 0.02MPa 压力下进行。
4)标准比较:JB、GB 和 API 标准安全阀的比较见表 1-8。
| 项目 | JB | GB | API(ASME) | ||
| 设计 | 规格 | 8 种 | 25 种 | ||
| 流道直径 d0/mm | ø20~ø125 | ø9.5(D)~ø146(T) | |||
| 面积比(出口/流道) | 4.13~3.06 | 64.26~3.02 | |||
| 压力-温度等级 | 按流道直径(代号)明确 | ||||
| 机械要求 | 应有导向机构以保证动作和密封的稳定性。阀座应固定在阀体上,以防松动。 | 考虑导向装置以保证工作可靠及密封性;阀座应紧固在阀体上,以防止阀座升起。 | |||
| 弹簧 | 负载偏差 | ±10% | ±10% | ||
| 最大负荷下变形量 | ≤80% 压并变形量 | ≤80% 压并变形量 | |||
| 最大负荷下切应力 | ≤80% 极限切应力 | ||||
| 永久变形 | 试验负荷压缩 3 次后 ≤0.5%H。 | 压井三次后 ≤0.5%H。 | |||
| 整定压力调整范围 | ≤±15% | ±5% | |||
| 材料选择 | 结构材料 | ||||
| 阀座、阀瓣 | 本体材料的抗腐蚀性能应不低于阀体材料 | 根据压力—温度范围明确通用结构材料 | |||
| 导套 | 应具有良好的耐磨与抗腐蚀性能 | 用耐蚀材料 | |||
| 弹簧 | 防锈处理 | 防锈处理 | 用耐蚀材料或耐蚀涂层 | ||
| 制造 | 工艺装备、试验设备以及质量控制程序能保证产品性能一致性 | ||||
| 试验 | 认证 | 性能和排量验证应在 ASME 认可的实验室进行 | |||
| 动作性能试验 | 蒸汽介质 | 饱和蒸汽 | 用蒸汽试验 | 用蒸汽试验,能力有限时刻用空气,但应校正 | |
| 气体介质 | 空气 | 用空气、蒸汽或其他已知性质气体 | 用空气试验 | ||
| 液体介质 | 水 | 用水或其他已知性质液体进行试验 | 用水或其他合适的液体进行试验 | ||
| 试验装置 | 应具有足够尺寸及容量 | ||||
| 密封性 | 压力 | 按图样规定 |
0.9P0 |
0.9P0 | |
| 试验介质 | 允许用空气祸害器代替 | 同工作介质性质 | |||
| 允许泄漏率 |
金属座—按标准 软座—0 泡/min |
金属座—按标准 软座—0 泡/min |
|||
5)条款特点:
①规则。API 标准对安全阀的结构设计、排量计算、规格、压力级、材料、制造、试验、运输、安装、使用、检查及维修,均有完整和全面的基本要求。
API RP 520、576 介绍了各种类型安全阀的机构及其特点。
API RP 520 第Ⅰ部分列出各种流体介质(气体、水蒸气、液体及两相流)排量下所需流道面积的计算方法,并给出相关修正系数。
API Std 526 规定了 14 种流道直径(喉径)再不用温度和压力下的各种规格、压力级及基本材料要求,并规定必须执行 AMSE 规范的相应制造和试验要求。
API Std 527 规定了泄压阀的密封性试验方法和要求。
API RP 520 第Ⅱ部分列出有关安装发面的一些要求。
API RP 576 列出泄压装置的检查和维修要求。
ASME PTC 25 为泄压装置的试验装置、试验方法和实验报告提供了标准。
②规格和品种。API 标准安全阀规格和品种较多。
弹簧载荷式安全阀的公称尺寸为 1~8in.(25~200mm),有 14 种(D~T)流道直径(d0=9.5~146mm),21 种规格,6 种压力级(150~2500lb),-268~260℃ 的温度范围。
API 标准范围阀规格、品种多,便于选择合理规格的安全阀。
③温度—压力级。API 标准安全阀根据所需排量计算确定留到面积后,按照该流道面积表中的温度范围和允许的最高整定压力,确定适合的压力等级。
④材料。阀瓣、阀座及导向零件应是耐蚀材料制成,应能满足温度和使用条件。依照使用的温度,选用适合的阀体、阀盖及弹簧材料。阀体和阀盖的材料可以不同,但必须满足最低的压力—温度要求,标准中规定了阀体、阀盖和弹簧材料的最低等级牌号。
⑤制造厂和实验装置要求。制造厂的工艺装备、试验装备以及质量控制程序能够保证所生产安全法的性能一致性。安全阀性能试验装置和容器应有足够尺寸和容量。
⑥运输和安装。安全阀运输中应有保护堵盖(塞)。安全阀人口管道的压力损失 Δp≤3%pa。
(3)研制
由于按照 API 标准生产安全阀与按照 JB 生产安全阀存在差异,因而产品制造过程中常出现许多问题。如结构设计不合理,材料选用不当,整定压力过高或实际排放量不满足要求等。
为了完整全面的了解、熟悉和掌握 API 标准(AMSE 规范)相关内容和要求,有必要对 API 标准安全阀进行深入研究,以显示其特点和先进性。对 API 标准安全阀主要研究包括试验研究和建模研究。
1)性能试验研究:
①试验装置。为了进行安全阀的性能及排量试验研究,按照 ASME PTC 25《泄压装置—性能试验规范》的要求建设了安全阀全性能试验装置。改试验装置主要由大量空气压缩机、储气罐、流量调节阀、控制阀、试验容器及工位、流量计、压力传感器、温度传感器、位移传感器、计算机数据采集及处理系统等组成。
试验装置共设三个试验工位。最大试验阀通径 8in.(200mm),最高试验压力 23MPa,最高试验流量 100t/h(空气)。试验工位的试验容器的容积分别为 4.5m³、1.5m³、0.014m³。
为了更好地比较试验装置能力对安全阀性能的影响,随后又建造了容积为 0.5m³的试验装置。典型安全阀的试验结果曲线如图 1-6~1-8。

图 1-6 入口压力与开启高度曲线

图 1-7 开启高度与流量曲线

图 1-8 安全阀发证颤振时的开启高度曲线
②性能及排量试验。安全阀的流道结构设计对其性能及排量有重量影响。API Std 526 标准规定了安全阀的净出口及流道尺寸,其出口面积与流道面积的比例为 64.26~3.02,与 JB 规定的 4.13~3.06 相比范围及比例均较大,特别对于通径较小者有显著差别,进行了性能和排量试验。大量试验表明:a.试验装置性能对安全阀的性能有重要影响。通过对五种规格(II/2h4、2J3、3K4、3L4、4M6)的安全阀在不同试验装置上对比试验结构可以得出,试验装置的容量对安全阀整定压力和启跳压力基本无影响。只有试验装置容量足够大时,才能判定安全阀的回座压力及机械特性是否符合要求。b.与 API Std 526 标准安全阀相比,出口面积较小的 JB 安全阀其排量系数较小。在试验装置上对 API 和 JB 两种标准的安全阀进行了排量试验。试验表明,JB 安全阀的出口面积较小者,影响到其排量系数减小。一般 JB 安全阀的排量系数为 0.8~0.9。而按 API 标准的安全阀其排量系数可达 0.98。
③ 背压试验。安全阀的出口背压时其性能有较大影响。较高的被压会影响到安全阀的动作性能及其排量。安全阀背压试验系统如图 1-9 所示。
图 1-9 安全阀背压试验系统
背压通过背压发生器产生,调节背压主要是通过改变背压器中背压调节器孔板尺寸来调节发生阀出口排放背压。通过背压试验,得出两点经验:a.排放背压存在临界值,超过允许值后,会导致安全阀机械性能遭到破坏,引起安全阀颤振等现象,排放过程不稳定。b.安全阀开启高度随排放背压的升高而减少,排放背压的存在,引起开启高度的降低,导致安全阀的实际排量降低。
2)流场仿真:虽然借助于先进的性能试验装置,在安全阀动作特性和排量等方面上获得了许多成果,然而试验研究却存在着投入大、周期长、方法有局限的问题。所以将计算流体力学(CFD)应用到安全阀的基础理论研究中。利用计算流体力学软件,建立了一些安全阀内部流场的三维模型。经过试验验证,这些模型具有足够的精度和可靠性,完全可以用于工程研究,其中两个算例所得到的排量数值与试验数据的对比见表 1-9。
| 序号 | 规格 | 实测排量/(kg/h) | 计算排量/(kg/h) | 计算值与试验值相差百分比(%) |
| 1 | 2J3 | 4756.1 | 4795.9 | 0.84 |
| 2 | II/2h4 | 4987.67 | 5030.1 | 0.85 |
通过对安全阀内部流场研究,对安全阀的内部流动有了全新的认识。在安全阀整个流道中,发作的喉部是最小的几何流通截面。所以在安全阀的工程计算和设计过程中,这个流道面积就被假设为整个流道中的实际最小气动流通面积,如果该流场处于临界或超临界流动状态,则在阀座喉部处达到音速。
以往通过试验方法,已经证实这个假设存在问题,安全阀的临界界面不在阀座喉部,而是在其下游。但是究竟是什么样的流场形态,产生这一现象的机理是什么,这些试验很难解答的问题若通过流场仿真就可以很容易地解答。
图 1-10 为某规格安全阀内部流场中音速和超音速区域的马赫数等值线图。从图中可以看出,介质在阀座喉部的流动是亚声速的,实际的气动临界截面位于阀座与阀瓣之间形成的圆柱侧面上。

图 1-10 安全阀内部流场中的马赫数等值线图
(4)结语
由于 API 标准安全阀与 JB 安全法相比,具有显著的特点和先进性。因而近年来,API 标准安全阀在我国得到越来越广泛的应用。从目前现状分析,提出几点建议:
1)安全法制造厂、检验单位以及使用部门需全面、完整地了解、熟悉和掌握 API 标准(ASME 规范)相关内容和要求。
2)设计单位与制造厂商严格遵循 API 标准(ASME 规范)要求进行安全法的设计选型、选材和制造。
3)各制造厂对生产的 API 标准安全阀应开展充分的性能研究工作,以显示 API 标准安全阀的特点。各制造厂应通过具有资质的检测部门确定安全阀的排量系数以供用户选型时使用。
4)目前国内安全阀制造厂的生产手段和试验条件较国外厂家有较大差距,特别在实验条件方面。因而,建议安全法制造厂和检验单位应创造条件满足安全阀性能试验的要求。例如,关于实验装置和容器应有足够尺寸和容量。这涉及回座压力的准确性以及力学性能的判断。
5)安全阀使用单位应向供货单位(制造厂)提出安全阀的明确订货要求,并在收货时索要相关文件(例如合格证、质量证明书、试验报告等)以及进行必要项目的验收。
第 2 章 工业管道及阀门维修、安装必备的基础知识
2-1 管道有哪些分类方法?管道有什么用途?
答:管道分类方法通常按介质的压力、温度、性质分类,也可按管道材质、温度和压力分类,以及材质情况等分类方法。
这里管道按其材质可分为钢管、有色金属管、铸铁管、非金属管四种。他们的主要用途例举如下:
(1)钢管
1)一般无缝钢管、用于制作流体介质管道或制作结构管件等。标准为 GB/T 8163—1999《输送流体用无缝钢管》。常用规格:结构用无缝钢管外径 5~200,壁厚 0.25~14mm,见表 2-1;输送流体用无缝钢管外径 32~630mm。壁厚 2.5~75mm,见表 2-2。
常用无缝钢管规格尺寸及单位长度理论质量(kg/m)见表 2-3。
| 外径/mm | 壁厚/mm | ||||||||
| 0.25 | 0.30 | 0.40 | 0.50 | 0.60 | 0.80 | 1.0 | 1.2 | 1.4 | |
| 理论重量/(kg/m) | |||||||||
| 5 | 0.0292 | 0.0348 | 0.0454 | 0.055 | 0.065 | 0.083 | 0.099 | 0.112 | 0.124 |
| 6 | 0.0354 | 0.0421 | 0.055 | 0.068 | 0.080 | 0.103 | 0.123 | 0.142 | 0.159 |
| 7 | 0.0416 | 0.0496 | 0.065 | 0.080 | 0.095 | 0.122 | 0.148 | 0.172 | 0.193 |
| 8 | 0.0477 | 0.057 | 0.075 | 0.092 | 0.110 | 0.142 | 0.173 | 0.202 | 0.227 |
| 9 | 0.054 | 0.064 | 0.085 | 0.105 | 0.125 | 0.162 | 0.197 | 0.231 | 0.262 |
| 10 | 0.060 | 0.072 | 0.095 | 0.117 | 0.139 | 0.182 | 0.222 | 0.261 | 0.296 |
| 11 | 0.066 | 0.079 | 0.105 | 0.129 | 0.154 | 0.201 | 0.247 | 0.290 | 0.331 |
| 12 | 0.072 | 0.087 | 0.115 | 0.142 | 0.169 | 0.221 | 0.271 | 0.320 | 0.365 |
| 14 | 0.085 | 0.101 | 0.134 | 0.166 | 0.199 | 0.260 | 0.321 | 0.379 | 0.434 |
| 16 | 0.094 | 0.116 | 0.154 | 0.191 | 0.228 | 0.300 | 0.370 | 0.438 | 0.503 |
| 18 | 0.109 | 0.131 | 0.174 | 0.216 | 0.258 | 0.340 | 0.419 | 0.497 | 0.572 |
| 20 | 0.122 | 0.146 | 0.193 | 0.240 | 0.288 | 0.379 | 0.469 | 0.556 | 0.642 |
| 22 | — | — | 0.212 | 0.265 | 0.318 | 0.419 | 0.518 | 0.616 | 0.710 |
| 25 | — | — | 0.242 | 0.302 | 0.363 | 0.478 | 0.592 | 0.703 | 0.813 |
| 28 | — | — | 0.272 | 0.340 | 0.406 | 0.536 | 0.666 | 0.792 | 0.916 |
| 29 | — | — | 0.282 | 0.352 | 0.418 | 0.553 | 0.691 | 0.823 | 0.951 |
| 30 | — | — | 0.292 | 0.364 | 0.436 | 0.576 | 0.715 | 0.851 | 0.986 |
| 32 | — | — | 0.311 | 0.389 | 0.466 | 0.615 | 0.765 | 0.910 | 1.05 |
| 34 | — | — | 0.331 | 0.413 | 0.496 | 0.655 | 0.814 | 0.968 | 1.12 |
| 36 | — | — | 0.350 | 0.438 | 0.525 | 0.695 | 0.863 | 1.03 | 1.19 |
| 38 | — | — | 0.370 | 0.464 | 0.555 | 0.734 | 0.912 | 1.09 | 1.26 |
| 40 | — | — | 0.390 | 0.494 | 0.585 | 0.774 | 0.962 | 1.15 | 1.33 |
| 42 | — | — | — | — | — | — | 1.01 | 1.21 | 1.41 |
| 44.5 | — | — | — | — | — | — | 1.07 | 1.28 | 1.48 |
| 45 | — | — | — | — | — | — | 1.09 | 1.30 | 1.51 |
| 48 | — | — | — | — | — | — | 1.16 | 1.38 | 1.61 |
| 50 | — | — | — | — | — | — | 1.21 | 1.44 | 1.68 |
| 53 | — | — | — | — | — | — | 1.28 | 4.53 | 1.78 |
| 56 | — | — | — | — | — | — | 1.36 | 1.62 | 1.89 |
| 60 | — | — | — | — | — | — | 1.46 | 1.74 | 2.02 |
| 63 | — | — | — | — | — | — | 1.53 | 1.83 | 2.13 |
| 65 | — | — | — | — | — | — | 1.58 | 1.89 | 2.20 |
| 70 | — | — | — | — | — | — | 1.70 | 2.03 | 2.37 |
| 75 | — | — | — | — | — | — | 1.82 | 2.18 | 2.54 |
| 外径/mm | 壁厚/mm | ||||||||
| 1.5 | 1.6 | 1.8 | 2.0 | 2.2 | 2.5 | 2.8 | 3.0 | 3.2 | |
| 理论重量/(kg/m) | |||||||||
| 5 | 0.129 | 0.134 | — | — | — | — | — | — | — |
| 6 | 0.166 | 0.174 | 0.186 | 0.197 | — | — | — | — | — |
| 7 | 0.203 | 0.213 | 0.230 | 0.247 | 0.260 | 0.277 | — | — | — |
| 8 | 0.240 | 0.253 | 0.296 | 0.315 | 0.339 | — | — | — | — |
| 9 | 0.277 | 0.292 | 0.319 | 0.345 | 0.369 | 0.401 | 0.427 | — | — |
| 10 | 0.314 | 0.332 | 0.363 | 0.395 | 0.423 | 0.462 | 0.496 | 0.518 | 0.536 |
| 11 | 0.351 | 0.371 | 0.407 | 0.444 | 0.477 | 0.524 | 0.566 | 0.592 | 0.615 |
| 12 | 0.388 | 0.411 | 0.452 | 0.493 | 0.532 | 0.586 | 0.635 | 0.666 | 0.694 |
| 14 | 0.462 | 0.490 | 0.541 | 0.592 | 0.640 | 0.709 | 0.772 | 0.814 | 0.852 |
| 16 | 0.536 | 0.568 | 0.629 | 0.691 | 0.747 | 0.832 | 0.910 | 0.962 | 1.01 |
| 18 | 0.610 | 0.647 | 0.717 | 0.789 | 0.856 | 0.956 | 1.05 | 1.11 | 1.17 |
| 20 | 0.684 | 0.726 | 0.806 | 0.888 | 0.965 | 1.08 | 1.19 | 1.26 | 1.33 |
| 22 | 0.758 | 0.806 | 0.895 | 0.986 | 1.07 | 1.20 | 1.33 | 1.·41 | 1.49 |
| 25 | 0.869 | 0.925 | 1.03 | 1.13 | 1.24 | 1.39 | 1.53 | 1.63 | 1.72 |
| 28 | 0.980 | 1.04 | 1.16 | 1.28 | 1.40 | 1.57 | 1.74 | 1.85 | 1.96 |
| 29 | 1.02 | 1.08 | 1.22 | 1.33 | 1.47 | 1.63 | 1.83 | 1.92 | 2.02 |
| 30 | 1.05 | 1.12 | 1.25 | 1.38 | 1.51 | 1.70 | 1.88 | 2.00 | 2.12 |
| 32 | 1.13 | 1.20 | 1.34 | 1.48 | 1.62 | 1.82 | 2.02 | 2.15 | 2.28 |
| 34 | 1.20 | 1.28 | 1.43 | 1.58 | 1.72 | 1.94 | 2.15 | 2.29 | 2.43 |
| 36 | 1.28 | 1.36 | 1.53 | 1.68 | 1.83 | 2.07 | 2.29 | 2.44 | 2.59 |
| 38 | 1.35 | 1.44 | 1.61 | 1.78 | 1.94 | 2.19 | 2.43 | 2.59 | 2.75 |
| 40 | 1.42 | 1.52 | 1.69 | 1.87 | 2.05 | 2.31 | 2.56 | 2.74 | 2.91 |
| 42 | 1.50 | 1.60 | 1.79 | 1.97 | 2.16 | 2.44 | 2.70 | 2.89 | 3.07 |
| 44.5 | 1.59 | 1.65 | 1.88 | 2.10 | 2.29 | 2.59 | 2.89 | 3.07 | 3.25 |
| 45 | 1.61 | 1.71 | 1.91 | 2.12 | 2.32 | 2.62 | 2.91 | 3.11 | 3.31 |
| 48 | 1.72 | 1.83 | 2.05 | 2.27 | 2.48 | 2.81 | 3.11 | 3.33 | 3.54 |
| 50 | 1.79 | 1.91 | 2.14 | 2.37 | 2.59 | 2.93 | 3.25 | 3.48 | 3.70 |
| 53 | 1.91 | 2.03 | 2.27 | 2.52 | 2.76 | 3.11 | 3.46 | 3.70 | 3.94 |
| 56 | 2.02 | 2.15 | 2.40 | 2.56 | 2.92 | 3.30 | 3.66 | 3.92 | 4.17 |
| 60 | 2.16 | 2.31 | 2.58 | 2.86 | 3.13 | 3.55 | 3.94 | 4.22 | 4.49 |
| 63 | 2.27 | 2.42 | 2.71 | 3.01 | 3.30 | 3.72 | 4.15 | 4.44 | 4.73 |
| 65 | 2.35 | 2.50 | 2.80 | 3.11 | 3.40 | 3.85 | 4.29 | 4.59 | 4.89 |
| 70 | 2.53 | 2.70 | 3.02 | 3.35 | 3.68 | 4.16 | 4.63 | 4.96 | 5.28 |
| 75 | 2.71 | 2.90 | 3.24 | 3.60 | 3.95 | 4.46 | 4.97 | 5.32 | 5.68 |
| 外径/mm | 壁厚/mm | ||||||||
| 3.5 | 4.0 | 4.5 | 5.0 | 5.5 | 6.0 | 6.5 | 7.0 | 7.5 | |
| 理论重量/(kg/m) | |||||||||
| 5 | — | — | — | — | — | — | — | — | — |
| 6 | — | — | — | — | — | — | — | — | — |
| 7 | — | — | — | — | — | — | — | — | — |
| 8 | — | — | — | — | — | — | — | — | — |
| 9 | — | — | — | — | — | — | — | — | — |
| 10 | 0.561 | — | — | — | — | — | — | — | — |
| 11 | 0.647 | — | — | — | — | — | — | — | — |
| 12 | 0.734 | 0.789 | — | — | — | — | — | — | — |
| 14 | 0.906 | 0.986 | — | — | — | — | — | — | — |
| 16 | 1.08 | 1.18 | 1.28 | 1.35 | — | — | — | — | — |
| 18 | 1.25 | 1.38 | 1.50 | 1.60 | — | — | — | — | — |
| 20 | 1.42 | 1.58 | 1.72 | 1.82 | 1.97 | 2.07 | — | — | — |
| 22 | 1.60 | 1.77 | 1.94 | 2.10 | 2.24 | 2.37 | — | — | — |
| 25 | 1.86 | 2.07 | 2.28 | 2.47 | 2.64 | 2.81 | 2.97 | 3.11 | — |
| 28 | 2.11 | 2.37 | 2.61 | 2.84 | 3.05 | 3.26 | 3.45 | 3.68 | — |
| 29 | 2.20 | 2.47 | 2.72 | 2.96 | 3.19 | 3.40 | 3.61 | 3.80 | 3.98 |
| 30 | 2.29 | 2.56 | 2.83 | 3.08 | 3.32 | 3.55 | 3.77 | 3.97 | 4.16 |
| 32 | 2.46 | 2.76 | 3.05 | 3.33 | 3.59 | 3.85 | 4.09 | 4.32 | 4.53 |
| 34 | 2.63 | 2.96 | 3.27 | 3.58 | 3.87 | 4.14 | 4.41 | 4.66 | 4.90 |
| 36 | 2.81 | 3.16 | 3.50 | 3.82 | 4.14 | 4.44 | 4.73 | 5.01 | 5.27 |
| 38 | 2.98 | 3.35 | 3.72 | 4.07 | 4.41 | 4.74 | 5.05 | 5.35 | 5.64 |
| 40 | 3.15 | 3.55 | 3.94 | 4.32 | 4.68 | 5.03 | 5.37 | 5.70 | 6.01 |
| 42 | 3.32 | 3.75 | 4.16 | 4.56 | 4.95 | 5.33 | 5.69 | 6.04 | 6.38 |
| 44.5 | 3.54 | 4.00 | 4.44 | 4.87 | 5.29 | 5.70 | 6.06 | 6.47 | 6.84 |
| 45 | 3.58 | 4.04 | 4.49 | 4.93 | 5.36 | 5.77 | 6.17 | 6.56 | 6.94 |
| 48 | 3.84 | 4.34 | 4.83 | 5.30 | 5.76 | 6.21 | 6.65 | 7.08 | 7.49 |
| 50 | 4.01 | 4.54 | 5.05 | 5.55 | 6.04 | 6.51 | 6.97 | 7.42 | 7.86 |
| 53 | 4.27 | 4.83 | 5.38 | 5.92 | 6.44 | 6.95 | 7.45 | 7.94 | 8.42 |
| 56 | 4.53 | 5.13 | 5.71 | 6.29 | 6.85 | 7.40 | 7.93 | 8.40 | 8.97 |
| 60 | 4.88 | 5.52 | 6.16 | 6.78 | 7.39 | 7.99 | 8.58 | 9.15 | 9.71 |
| 63 | 5.13 | 5.81 | 6.49 | 7.14 | 7.77 | 8.41 | 9.04 | 9.57 | 10.23 |
| 65 | 5.31 | 6.02 | 6.71 | 7.40 | 8.07 | 8.73 | 9.38 | 10.01 | 10.65 |
| 70 | 5.74 | 6.51 | 7.27 | 8.01 | 8.75 | 9.47 | 10.18 | 10.88 | 11.56 |
| 75 | 6.17 | 7.00 | 7.82 | 8.62 | 9.41 | 10.18 | 10.96 | 11.71 | 12.48 |
| 外径/mm | 壁厚/mm | ||||||||
| 8.0 | 8.5 | 9 | 9.5 | 10 | 11 | 12 | 13 | 14 | |
| 理论重量/(kg/m) | |||||||||
| 30 | 4.34 | — | — | — | — | — | — | — | — |
| 32 | 4.74 | — | — | — | — | — | — | — | — |
| 34 | 5.13 | — | — | — | — | — | — | — | — |
| 36 | 5.52 | — | — | — | — | — | — | — | — |
| 38 | 5.92 | 6.18 | 6.44 | — | — | — | — | — | — |
| 40 | 6.31 | 6.60 | 6.88 | — | — | — | — | — | — |
| 42 | 6.71 | 7.02 | 7.32 | — | — | — | — | — | — |
| 44.5 | 7.20 | 7.55 | 7.88 | — | — | — | — | — | — |
| 45 | 7.30 | 7.65 | 7.99 | 8.32 | 8.63 | — | — | — | — |
| 48 | 7.89 | 8.28 | 8.66 | 9.02 | 9.37 | — | — | — | — |
| 50 | 8.29 | 8.70 | 9.10 | 9.49 | 9.86 | 10.59 | 11.25 | — | — |
| 53 | 8.88 | 9.33 | 9.77 | 10.19 | 10.60 | 11.39 | 12.13 | — | — |
| 56 | 9.47 | 9.96 | 10.43 | 10.90 | 11.34 | 12.21 | 13.02 | — | — |
| 60 | 10.26 | 10.80 | 11.32 | 11.83 | 12.33 | 13.29 | 14.21 | 15.07 | 15.88 |
| 65 | 11.25 | 11.84 | 12.43 | 13.00 | 13.56 | 14.65 | 15.68 | — | — |
| 70 | 12.23 | 12.89 | 13.54 | 14.17 | 14.80 | 16.01 | 17.16 | 18.27 | 19.33 |
| 75 | 13.17 | 13.91 | 14.61 | 15.30 | 15.99 | 17.31 | 18.65 | — | — |
| 外径/mm | 壁厚/mm | ||||||||
| 1.2 | 1.4 | 1.5 | 1.6 | 1.8 | 2.0 | 2.2 | 2.5 | 2.8 | |
| 理论重量/(kg/m) | |||||||||
| 80 | — | 2.71 | 2.90 | 3.09 | 3.47 | 3.84 | 4.22 | 4.77 | 5.32 |
| 85 | — | 2.88 | 3.08 | 3.29 | 3.69 | 4.09 | 4.48 | 5.08 | 5.66 |
| 90 | — | 3.05 | 3.27 | 3.49 | 3.91 | 4.34 | 4.76 | 5.39 | 6.01 |
| 95 | — | 3.21 | 3.46 | 3.68 | 4.13 | 4.59 | 5.02 | 5.70 | 6.36 |
| 100 | — | 3.40 | 3.64 | 3.88 | 4.35 | 4.83 | 5.30 | 6.00 | 6.70 |
| 110 | — | 3.74 | 4.03 | 4.28 | 4.81 | 5.32 | 5.84 | 6.62 | 7.39 |
| 120 | — | — | 4.36 | 4.66 | 5.25 | 5.83 | 6.38 | 7.24 | 8.07 |
| 125 | — | — | — | — | 5.46 | 6.06 | 6.64 | 7.54 | 8.42 |
| 130 | — | — | — | — | — | — | — | 7.86 | 8.78 |
| 140 | — | — | — | — | — | — | — | — | — |
| 150 | — | — | — | — | — | — | — | — | — |
| 外径/mm | 壁厚/mm | ||||||||
| 3.0 | 3.5 | 4.0 | 4.5 | 5.0 | 5.5 | 6.0 | 6.5 | 7.0 | |
| 理论重量/(kg/m) | |||||||||
| 80 | 5.69 | 6.60 | 7.49 | 8.37 | 9.24 | 10.07 | 10.91 | 11.75 | 12.59 |
| 85 | 6.06 | 7.04 | 7.98 | 8.93 | 9.86 | 10.75 | 11.65 | 12.55 | 13.45 |
| 90 | 6.43 | 7.47 | 8.47 | 9.49 | 10.47 | 11.42 | 12.39 | 13.35 | 14.31 |
| 95 | 6.81 | 7.90 | 8.98 | 10.04 | 11.10 | 12.14 | 13.17 | 14.19 | 15.19 |
| 100 | 7.17 | 8.32 | 9.46 | 10.59 | 11.71 | 12.77 | 13.87 | 14.95 | 16.03 |
| 110 | 7.92 | 9.19 | 10.46 | 11.70 | 12.93 | 14.19 | 15.40 | 16.60 | 17.75 |
| 120 | 8.66 | 10.06 | 11.44 | 12.93 | 14.30 | 15.51 | 16.89 | 18.20 | 19.50 |
| 125 | 9.02 | 10.50 | 11.91 | 13.37 | 14.80 | 16.15 | 17.55 | 19.02 | 20.35 |
| 130 | 9.40 | 10.92 | 12.43 | 13.92 | 15.48 | 16.88 | 18.35 | 19.80 | 21.20 |
| 140 | 10.11 | 11.80 | 13.42 | 15.05 | 16.65 | 18.24 | 19.83 | 21.40 | 22.96 |
| 150 | 10.85 | 12.65 | 14.39 | 16.11 | 17.85 | 19.55 | 21.25 | 23.00 | 24.68 |
| 160 | — | 13.53 | 15.38 | 17.25 | 19.09 | 20.96 | 22.79 | 24.60 | 26.41 |
| 170 | — | 14.31 | 16.31 | 18.35 | 20.30 | 22.31 | 24.27 | 26.21 | 28.14 |
| 180 | — | 15.20 | 17.30 | 19.50 | 21.59 | 23.67 | 25.75 | 27.81 | 29.87 |
| 190 | — | — | 18.29 | 20.60 | 22.80 | 25.02 | 27.22 | 29.41 | 31.59 |
| 200 | — | — | 19.67 | 21.65 | 24.00 | 26.38 | 28.70 | 31.02 | 33.32 |
| 外径/mm | 壁厚/mm | ||||||||
| 7.5 | 8.0 | 8.5 | 9.0 | 9.5 | 10 | 11 | 12 | 13 | |
| 理论重量/(kg/m) | |||||||||
| 80 | 13.39 | 14.15 | 14.96 | 15.71 | 16.45 | 17.22 | 18.66 | 20.10 | |
| 85 | 14.31 | 15.13 | 16.01 | 16.85 | 17.63 | 18.45 | 20.01 | 21.60 | |
| 90 | 15.22 | 16.11 | 17.05 | 17.95 | 18.79 | 19.67 | 21.43 | 23.08 | |
| 95 | 16.18 | 17.16 | 18.13 | 19.09 | 20.03 | 20.96 | 22.79 | 24.56 | |
| 100 | 17.09 | 18.09 | 19.15 | 20.15 | 21.15 | 22.19 | 24.14 | 26.04 | |
| 110 | 19.00 | 20.08 | 21.30 | 22.50 | 23.54 | 24.70 | 26.85 | 29.00 | |
| 120 | 20.85 | 22.10 | 23.40 | 24.70 | 25.89 | 27.20 | 29.57 | 31.96 | |
| 125 | 21.73 | 23.08 | 24.42 | 25.75 | 27.06 | 28.36 | 30.92 | 33.44 | |
| 130 | 22.70 | 24.10 | 25.50 | 26.90 | 28.23 | 29.70 | 32.27 | 34.92 | |
| 140 | 24.51 | 26.04 | 27.57 | 29.08 | 30.57 | 32.06 | 34.99 | 37.88 | |
| 150 | 26.36 | 28.01 | 29.66 | 31.29 | 32.91 | 34.52 | 37.71 | 40.84 | |
| 160 | 28.20 | 29.99 | 31.76 | 33.51 | 35.26 | 36.99 | 40.42 | 43.80 | |
| 170 | 30.05 | 31.96 | 33.85 | 35.73 | 37.60 | 39.46 | 43.13 | 46.76 | |
| 180 | 31.91 | 33.93 | 35.95 | 37.95 | 39.95 | 41.92 | 45.85 | 49.72 | |
| 190 | 33.72 | 35.90 | 38.04 | 40.17 | 42.28 | 44.39 | 48.56 | 52.67 | |
| 200 | 35.60 | 37.88 | 40.14 | 42.39 | 44.63 | 46.85 | 51.27 | 55.63 | |
注:1.本表乃参考 GB/T 8163—1999。
2.壁厚 ≤1mm,钢管长 1.5—7mm;壁厚 >1mm,钢管长 1.5~9mm。
| 外径/mm | 壁厚/mm | ||||||||||
| 2.5 | 3 | 3.5 | 4 | 4.5 | 5 | 5.5 | 6 | 6.5 | 7 | 7.5 | |
| 理论重量/(kg/m) | |||||||||||
| 32 | 1.82 | 2.15 | 2.46 | 2.76 | 3.05 | 3.33 | 3.59 | 3.85 | 4.09 | 4.32 | 4.53 |
| 38 | 2.19 | 2.59 | 2.98 | 3.35 | 3.72 | 4.07 | 4.41 | 4.74 | 5.05 | 5.35 | 5.64 |
| 42 | 2.44 | 2.89 | 3.53 | 3.75 | 4.16 | 4.56 | 4.95 | 5.33 | 5.69 | 6.04 | 6.38 |
| 45 | 2.62 | 3.11 | 3.58 | 4.04 | 4.49 | 4.93 | 5.36 | 5.77 | 6.17 | 6.56 | 6.94 |
| 50 | 2.93 | 3.48 | 4.01 | 4.54 | 5.05 | 5.55 | 6.04 | 6.51 | 6.97 | 7.42 | 7.86 |
| 54 | — | 3.77 | 4.36 | 4.93 | 5.49 | 6.04 | 6.58 | 7.10 | 7.61 | 8.11 | 8.60 |
| 57 | — | 4.00 | 4.62 | 5.23 | 5.83 | 6.41 | 6.99 | 7.55 | 8.10 | 8.63 | 9.16 |
| 60 | — | 4.22 | 4.88 | 5.52 | 6.16 | 6.78 | 7.39 | 7.99 | 8.58 | 9.15 | 9.74 |
| 63.5 | — | 4.48 | 5.18 | 5.87 | 6.55 | 7.21 | 7.87 | 8.51 | 9.14 | 9.75 | 10.36 |
| 68 | — | 4.81 | 5.57 | 6.31 | 7.05 | 7.77 | 8.48 | 9.17 | 9.86 | 10.53 | 11.19 |
| 70 | — | 4.96 | 5.74 | 6.51 | 7.27 | 8.01 | 8.75 | 9.47 | 10.18 | 10.88 | 11.56 |
| 73 | — | 5.18 | 6.00 | 6.81 | 7.60 | 8.38 | 9.16 | 9.91 | 10.66 | 11.39 | 12.11 |
| 76 | — | 5.40 | 6.26 | 7.10 | 7.93 | 8.75 | 9.56 | 10.36 | 11.14 | 11.91 | 12.67 |
| 83 | — | — | 6.86 | 7.79 | 8.71 | 9.62 | 10.51 | 11.39 | 12.26 | 13.12 | 13.96 |
| 89 | — | — | 7.38 | 8.38 | 9.38 | 10.36 | 11.33 | 12.28 | 13.22 | 14.16 | 15.07 |
| 95 | — | — | 7.90 | 8.98 | 10.04 | 11.10 | 12.14 | 13.17 | 14.19 | 15.19 | 16.18 |
| 102 | — | — | 8.50 | 9.67 | 10.82 | 11.96 | 13.09 | 14.21 | 15.31 | 16.40 | 17.48 |
| 108 | — | — | — | 10.26 | 11.49 | 12.70 | 13.90 | 15.09 | 16.27 | 17.44 | 18.59 |
| 114 | — | — | — | 10.85 | 12.15 | 13.44 | 14.72 | 15.98 | 17.23 | 18.47 | 19.70 |
| 121 | — | — | — | 11.54 | 19.93 | 14.30 | 15.67 | 17.02 | 18.35 | 19.68 | 20.99 |
| 127 | — | — | — | 12.13 | 13.59 | 15.04 | 16.48 | 17.90 | 19.32 | 20.72 | 22.10 |
| 133 | — | — | — | 12.73 | 14.26 | 15.78 | 17.29 | 18.79 | 20.28 | 21.75 | 23.21 |
| 140 | — | — | — | — | 15.04 | 16.65 | 18.24 | 19.83 | 21.40 | 22.96 | 24.51 |
| 146 | — | — | — | — | 15.70 | 17.39 | 19.06 | 20.72 | 22.36 | 24.00 | 25.62 |
| 159 | — | — | — | — | 17.15 | 18.99 | 20.82 | 22.64 | 24.45 | 26.24 | 28.02 |
| 168 | — | — | — | — | — | 20.10 | 22.04 | 23.97 | 25.89 | 27.79 | 29.69 |
| 180 | — | — | — | — | — | 21.59 | 23.70 | 25.75 | 27.70 | 29.87 | 31.91 |
| 194 | — | — | — | — | — | 23.31 | 25.60 | 27.82 | 30.00 | 32.28 | 34.50 |
| 203 | — | — | — | — | — | — | — | 29.14 | 31.50 | 33.83 | 36.16 |
| 219 | — | — | — | — | — | — | — | 31.52 | 34.06 | 36.60 | 39.12 |
| 245 | — | — | — | — | — | — | — | — | 38.23 | 41.09 | 43.85 |
| 273 | — | — | — | — | — | — | — | — | 42.64 | 45.94 | 49.10 |
| 299 | — | — | — | — | — | — | — | — | — | — | 53.91 |
| 325 | — | — | — | — | — | — | — | — | — | — | 58.74 |
| 外径/mm | 壁厚/mm | ||||||||||
| 8 | 8.5 | 9 | 9.5 | 10 | 11 | 12 | 13 | 14 | 15 | ||
| 理论重量/(kg/m) | |||||||||||
| 32 | 4.74 | — | — | — | — | — | — | — | — | — | |
| 38 | 5.92 | — | — | — | — | — | — | — | — | — | |
| 42 | 6.71 | 7.02 | 7.32 | 7.60 | 7.88 | — | — | — | — | — | |
| 45 | 7.30 | 7.65 | 7.99 | 8.32 | 8.63 | — | — | — | — | — | |
| 50 | 8.29 | 8.70 | 9.10 | 9.49 | 9.86 | — | — | — | — | — | |
| 54 | 9.08 | 9.54 | 9.99 | 10.43 | 10.85 | 11.67 | — | — | — | — | |
| 57 | 9.67 | 10.17 | 10.65 | 11.13 | 11.59 | 12.48 | 13.32 | 14.11 | — | — | |
| 60 | 10.26 | 10.80 | 11.32 | 11.83 | 12.33 | 13.29 | 14.21 | 15.07 | 15.88 | ||
| 63.5 | 10.95 | 11.53 | 12.10 | 12.65 | 13.19 | 14.24 | 15.24 | 16.19 | 17.09 | ||
| 68 | 11.84 | 12.47 | 13.10 | 13.71 | 14.30 | 15.46 | 16.57 | 17.63 | 18.64 | 19.61 | |
| 70 | 12.23 | 12.89 | 13.54 | 14.17 | 14.80 | 16.01 | 17.16 | 18.27 | 19.33 | 20.35 | |
| 73 | 12.82 | 13.52 | 14.21 | 14.88 | 15.54 | 16.82 | 18.05 | 19.24 | 20.37 | 21.46 | |
| 76 | 13.42 | 14.15 | 14.87 | 15.58 | 16.28 | 17.63 | 18.94 | 20.20 | 21.41 | 22.57 | |
| 83 | 14.80 | 15.62 | 16.42 | 17.22 | 18.00 | 19.53 | 21.01 | 22.44 | 23.82 | 25.15 | |
| 89 | 15.98 | 16.87 | 17.76 | 18.63 | 19.48 | 21.16 | 22.79 | 24.37 | 25.89 | 27.37 | |
| 95 | 17.16 | 18.13 | 19.09 | 20.03 | 20.96 | 22.79 | 24.56 | 26.29 | 27.97 | 29.59 | |
| 102 | 18.55 | 19.60 | 20.64 | 21.67 | 22.69 | 24.69 | 26.53 | 28.63 | 30.38 | 32.18 | |
| 108 | 19.73 | 20.86 | 21.97 | 23.08 | 24.17 | 26.31 | 28.41 | 30.46 | 32.45 | 34.40 | |
| 114 | 20.91 | 22.12 | 23.31 | 24.48 | 25.65 | 27.94 | 30.19 | 32.38 | 34.53 | 36.62 | |
| 121 | 22.29 | 23.58 | 24.86 | 26.12 | 27.37 | 29.84 | 32.26 | 34.62 | 36.94 | 39.21 | |
| 127 | 23.48 | 24.84 | 26.19 | 27.53 | 28.85 | 31.47 | 34.03 | 36.55 | 39.01 | 41.43 | |
| 133 | 24.66 | 36.10 | 27.53 | 28.93 | 30.33 | 33.10 | 35.81 | 38.47 | 41.09 | 43.65 | |
| 140 | 26.04 | 27.57 | 29.08 | 30.57 | 32.06 | 34.99 | 37.88 | 40.72 | 43.50 | 46.24 | |
| 146 | 27.23 | 28.82 | 30.41 | 31.98 | 33.54 | 36.62 | 39.66 | 42.64 | 45.57 | 48.46 | |
| 152 | 28.41 | 30.08 | 31.74 | 33.39 | 35.02 | 38.25 | 41.43 | 44.56 | 47.65 | 50.68 | |
| 159 | 29.79 | 31.55 | 33.29 | 35.03 | 36.75 | 40.15 | 43.50 | 46.81 | 50.06 | 53.27 | |
| 168 | 31.57 | 33.43 | 35.29 | 37.13 | 38.97 | 42.59 | 46.17 | 49.69 | 53.17 | 56.60 | |
| 180 | 33.93 | 35.95 | 37.95 | 39.95 | 41.92 | 45.85 | 49.72 | 53.54 | 57.31 | 61.04 | |
| 194 | 36.70 | 28.89 | 40.06 | 43.23 | 45.38 | 49.64 | 53.86 | 58.03 | 62.15 | 66.22 | |
| 203 | 38.47 | 40.77 | 43.05 | 45.33 | 47.59 | 52.08 | 56.52 | 60.91 | 65.94 | 69.54 | |
| 219 | 41.63 | 44.12 | 46.61 | 49.08 | 51.54 | 56.43 | 61.26 | 66.04 | 70.78 | 75.46 | |
| 245 | 46.76 | 49.56 | 52.38 | 55.17 | 57.95 | 63.48 | 68.95 | 74.38 | 79.76 | 83.08 | |
| 273 | 52.28 | 55.45 | 58.60 | 61.73 | 64.86 | 71.07 | 77.24 | 83.36 | 89.42 | 95.44 | |
| 299 | 57.41 | 60.89 | 64.37 | 67.38 | 71.27 | 78.13 | 84.93 | 91.69 | 98.40 | 105.06 | |
| 325 | 62.54 | 66.35 | 70.14 | 73.92 | 77.68 | 85.18 | 92.63 | 100.03 | 107.38 | 114.68 | |
| 351 | 67.67 | 71.80 | 75.91 | 80.01 | 84.10 | 92.23 | 100.32 | 108.36 | 116.35 | 124.29 | |
| 377 | — | — | 81.68 | 86.10 | 90.51 | 99.29 | 108.02 | 117.00 | 125.33 | 133.91 | |
| 402 | — | — | 87.21 | 91.95 | 96.67 | 106.06 | 115.41 | 124.71 | 133.94 | 143.15 | |
| 426 | — | — | 92.55 | 97.57 | 102.59 | 112.58 | 122.52 | 132.41 | 142.25 | 152.04 | |
| 450 | — | — | 97.87 | 103.20 | 108.50 | 119.08 | 130.61 | 140.09 | 150.52 | 160.90 | |
| 480 | — | — | 104.52 | 110.22 | 115.90 | 127.22 | 139.49 | 149.71 | 160.88 | 172.00 | |
| 500 | — | — | 108.96 | 114.91 | 120.83 | 132.65 | 145.41 | 156.12 | 167.79 | 179.40 | |
| 530 | — | — | 115.62 | 121.94 | 128.23 | 140.78 | 154.29 | 165.74 | 178.14 | 190.50 | |
| 560 | — | — | 122.28 | 128.97 | 135.63 | 148.92 | 163.16 | 175.36 | 188.50 | 201.60 | |
| 600 | — | — | 131.17 | 138.34 | 145.50 | 159.78 | 175.00 | 188.18 | 202.31 | 216.39 | |
| 630 | — | — | 137.81 | 145.36 | 152.89 | 167.91 | 183.88 | 197.80 | 212.67 | 227.49 | |
| 外径/mm | 壁厚/mm | ||||||||||
| 16 | 17 | 18 | 19 | 20 | 22 | 25 | 28 | ||||
| 理论重量/(kg/m) | |||||||||||
| 57 | — | — | — | — | — | — | — | — | |||
| 68 | 20.52 | — | — | — | — | — | — | — | |||
| 70 | 21.31 | — | — | — | — | — | — | — | |||
| 73 | 22.49 | 23.48 | 24.41 | 25.30 | — | — | — | — | |||
| 76 | 23.68 | 24.74 | 25.75 | 26.71 | — | — | — | — | |||
| 83 | 26.44 | 27.67 | 28.85 | 29.99 | — | — | — | — | |||
| 89 | 28.80 | 30.19 | 31.52 | 32.80 | 34.03 | 36.35 | — | — | |||
| 95 | 31.17 | 32.70 | 34.18 | 35.61 | 36.99 | 39.61 | — | — | |||
| 102 | 33.93 | 35.64 | 37.29 | 38.89 | 40.44 | 43.40 | — | — | |||
| 108 | 36.30 | 38.15 | 39.95 | 41.70 | 43.40 | 46.66 | 51.17 | 55.24 | |||
| 114 | 38.67 | 40.67 | 42.62 | 44.51 | 46.36 | 49.91 | 54.87 | 59.39 | |||
| 121 | 41.43 | 43.60 | 45.72 | 47.79 | 49.82 | 53.71 | 59.19 | 64.22 | |||
| 127 | 43.80 | 46.12 | 48.39 | 50.61 | 52.78 | 56.97 | 62.89 | 68.36 | |||
| 133 | 46.17 | 48.63 | 51.05 | 53.42 | 55.73 | 60.22 | 66.59 | 72.50 | |||
| 140 | 48.93 | 51.57 | 54.16 | 56.70 | 59.19 | 64.02 | 70.90 | 77.34 | |||
| 146 | 51.30 | 54.08 | 56.82 | 59.51 | 62.15 | 67.27 | 74.60 | 81.48 | |||
| 152 | 53.66 | 56.60 | 59.48 | 62.32 | 65.11 | 70.59 | 78.30 | 85.62 | |||
| 159 | 56.43 | 59.53 | 62.59 | 65.60 | 68.56 | 74.33 | 82.62 | 90.46 | |||
| 168 | 59.98 | 63.31 | 66.59 | 69.82 | 73.00 | 73.21 | 88.16 | 96.67 | |||
| 180 | 64.71 | 68.34 | 71.91 | 75.44 | 78.92 | 85.72 | 95.56 | 104.96 | |||
| 194 | 70.24 | 74.21 | 78.13 | 82.00 | 85.28 | 93.32 | 104.19 | 114.63 | |||
| 203 | 73.78 | 77.97 | 81.12 | 86.21 | 90.26 | 98.20 | 109.74 | 120.83 | |||
| 219 | 80.10 | 84.69 | 89.23 | 93.71 | 98.15 | 106.88 | 119.61 | 131.89 | |||
| 245 | 90.36 | 95.59 | 100.77 | 105.90 | 110.98 | 120.99 | 135.64 | 149.84 | |||
| 273 | 101.41 | 107.33 | 113.20 | 119.02 | 124.79 | 136.18 | 152.90 | 169.18 | |||
| 299 | 111.67 | 118.23 | 124.74 | 131.20 | 137.61 | 150.29 | 168.93 | 187.13 | |||
| 325 | 121.93 | 129.13 | 136.28 | 143.38 | 150.44 | 164.39 | 184.96 | 205.09 | |||
| 351 | 132.19 | 140.03 | 147.82 | 155.56 | 163.26 | 178.50 | 200.99 | 233.04 | |||
| 377 | 142.44 | 150.93 | 159.36 | 167.75 | 176.08 | 192.61 | 217.02 | 240.99 | |||
| 402 | 150.30 | 161.40 | 170.45 | 179.45 | 188.40 | 206.16 | 232.42 | 258.24 | |||
| 426 | 161.78 | 171.47 | 181.11 | 190.71 | 200.25 | 219.19 | 247.23 | 274.83 | |||
| 450 | 171.24 | 181.52 | 191.76 | 201.94 | 212.08 | 232.20 | 262.01 | 291.38 | |||
| 480 | 183.08 | 194.10 | 205.07 | 216.00 | 226.87 | 248.47 | 280.51 | 312.10 | |||
| 500 | 190.97 | 202.48 | 213.95 | 225.37 | 236.74 | 259.32 | 292.84 | 325.91 | |||
| 530 | 202.80 | 215.06 | 227.27 | 239.42 | 251.53 | 275.60 | 317.50 | 346.62 | |||
| 560 | 214.64 | 227.64 | 240.58 | 253.48 | 266.33 | 291.88 | — | — | |||
| 600 | 230.42 | 244.40 | 258.34 | 272.22 | 286.06 | 291.88 | — | — | |||
| 630 | 242.26 | 256.98 | 271.66 | 286.28 | 300.85 | 329.85 | — | — | |||
| 外径/mm | 壁厚/mm | ||||||||||
| 30 | 32 | 36 | 40 | 50 | 56 | 60 | 63 | 70 | 75 | ||
| 理论重量/(kg/m) | |||||||||||
| 127 | 71.26 | — | — | — | — | — | — | — | — | — | |
| 133 | 76.20 | 79.71 | — | — | — | — | — | — | — | — | |
| 140 | 81.38 | 85.23 | 92.33 | — | — | — | — | — | — | — | |
| 146 | 85.82 | 89.97 | 97.66 | — | — | — | — | — | — | — | |
| 152 | 90.26 | 94.70 | 102.99 | — | — | — | — | — | — | — | |
| 159 | 95.44 | 100.22 | 109.20 | — | — | — | — | — | — | — | |
| 168 | 102.10 | 107.33 | 117.19 | 126.27 | — | — | — | — | — | — | |
| 180 | 110.98 | 116.80 | 127.85 | 138.10 | — | — | — | — | — | — | |
| 194 | 121.33 | 127.85 | 140.27 | 151.91 | — | — | — | — | — | — | |
| 203 | 127.99 | 134.94 | 148.26 | 160.78 | — | — | — | — | — | — | |
| 219 | 139.83 | 147.57 | 162.47 | 176.58 | — | — | — | — | — | — | |
| 245 | 159.07 | 168.09 | 185.55 | 202.22 | — | — | — | — | — | — | |
| 273 | 179.78 | 190.19 | 185.55 | 202.22 | — | — | — | — | — | — | |
| 299 | 199.02 | 210.71 | 233.50 | 255.49 | — | — | — | — | — | — | |
| 325 | 218.25 | 231.23 | 256.53 | 281.14 | — | — | — | — | — | — | |
| 351 | 237.49 | 251.74 | 279.66 | 306.76 | — | — | — | — | — | — | |
| 377 | 256.73 | 272.26 | 302.77 | 332.44 | — | — | — | — | — | — | |
| 402 | 275.21 | 291.18 | 324.92 | 357.08 | — | — | — | — | — | — | |
| 426 | 292.98 | 310.93 | 346.27 | 380.77 | — | — | — | — | — | — | |
| 450 | 310.72 | 329.84 | 307.53 | 404.42 | — | — | — | — | — | — | |
| 480 | 332.91 | 353.52 | 394.17 | 463.01 | — | — | — | — | — | — | |
| 500 | 347.71 | 369.30 | 411.92 | 453.74 | — | — | — | — | — | — | |
| 530 | 369.90 | 392.92 | 438.55 | 483.34 | — | — | — | — | — | — | |
| 203 | — | — | — | — | 188.65 | — | — | — | — | — | |
| 219 | — | — | — | — | 208.38 | — | — | — | — | — | |
| 245 | — | — | — | — | 240.44 | — | — | — | — | — | |
| 273 | — | — | — | — | 274.96 | — | — | — | — | — | |
| 299 | — | — | — | — | 307.02 | 335.57 | 353.62 | 366.64 | 395.30 | 414.29 | |
| 325 | — | — | — | — | 339.10 | 371.49 | 392.09 | 407.04 | 440.34 | 462.28 | |
| 351 | — | — | — | — | 371.16 | 407.40 | 430.59 | 447.43 | 485.24 | 510.46 | |
| 377 | — | — | — | — | 403.22 | 442.30 | 469.06 | 484.82 | 529.98 | 558.55 | |
| 402 | — | — | — | — | 434.01 | 477.81 | 506.02 | 526.66 | 573.10 | 604.79 | |
| 426 | — | — | — | — | 463.64 | 510.97 | 541.57 | 560.47 | 614.56 | 649.21 | |
| 450 | — | — | — | — | 493.20 | 544.10 | 577.04 | 601.24 | 655.96 | 693.56 | |
| 480 | — | — | — | — | 530.19 | 585.53 | 621.43 | 632.31 | 707.24 | 749.05 | |
| 500 | — | — | — | — | 554.85 | 613.15 | 651.02 | 678.91 | 742.27 | 786.04 | |
| 530 | — | — | — | — | 591.84 | 654.58 | 695.41 | 725.52 | 794.05 | 841.52 | |
注:钢管长为 3~12.5m。
| 外径/mm | 壁厚/mm | |||||||||||||||||
| 0.25 | 0.30 | 0.40 | 0.50 | 0.60 | 0.80 | 1.0 | 1.2 | 1.4 | 1.5 | 1.6 | 1.8 | 2.0 | 2.2(2.3) | 2.5(2.6) | 2.8 | |||
| 系列 1 | 系列 2 | 系列 3 | 单位长度理论质量/(kg/m) | |||||||||||||||
| 6 | 0.035 | 0.042 | 0.055 | 0.068 | 0.080 | 0.103 | 0.123 | 0.142 | 0.159 | 0.166 | 0.174 | 0.186 | 0.197 | |||||
| 7 | 0.042 | 0.050 | 0.065 | 0.080 | 0.095 | 0.122 | 0.148 | 0.172 | 0.193 | 0.203 | 0.213 | 0.231 | 0.247 | 0.260 | 0.277 | |||
| 8 | 0.048 | 0.057 | 0.075 | 0.092 | 0.110 | 0.142 | 0.173 | 0.201 | 0.228 | 0.240 | 0.253 | 0.275 | 0.296 | 0.315 | 0.339 | |||
| 9 | 0.054 | 0.064 | 0.085 | 0.105 | 0.124 | 0.162 | 0.197 | 0.231 | 0.262 | 0.277 | 0.292 | 0.320 | 0.345 | 0.369 | 0.401 | 0.428 | ||
| 10 | 0.060 | 0.072 | 0.095 | 0.117 | 0.139 | 0.182 | 0.222 | 0.261 | 0.097 | 0.314 | 0.332 | 0.364 | 0.395 | 0.423 | 0.462 | 0.497 | ||
| 11 | 0.066 | 0.079 | 0.105 | 0.129 | 0.154 | 0.201 | 0.247 | 0.290 | 0.331 | 0.351 | 0.371 | 0.408 | 0.444 | 0.477 | 0.524 | 0.566 | ||
| 12 | 0.072 | 0.087 | 0.115 | 0.142 | 0.169 | 0.221 | 0.271 | 0.320 | 0.366 | 0.388 | 0.410 | 0.453 | 0.493 | 0.532 | 0.586 | 0.635 | ||
| 13 | 0.079 | 0.094 | 0.124 | 0.154 | 0.184 | 0.241 | 0.296 | 0.349 | 0.400 | 0.425 | 0.450 | 0.497 | 0.543 | 0.596 | 0.647 | 0.704 | ||
| 13.5 | 0.082 | 0.098 | 0.129 | 0.160 | 0.191 | 0.251 | 0.308 | 0.364 | 0.418 | 0.444 | 0.470 | 0.519 | 0.567 | 0.613 | 0.678 | 0.739 | ||
| 14 | 0.085 | 0.101 | 0.134 | 0.166 | 0.198 | 0.260 | 0.321 | 0.179 | 0.435 | 0.462 | 0.490 | 0.542 | 0.592 | 0.640 | 0.709 | 0.773 | ||
| 16 | 0.197 | 0.116 | 0.154 | 0.191 | 0.228 | 0.300 | 0.370 | 0.438 | 0.504 | 0.536 | 0.568 | 0.630 | 0.691 | 0.749 | 0.832 | 0.91 | ||
| 17 | 0.103 | 0.124 | 0.164 | 0.203 | 0.243 | 0.320 | 0.395 | 0.468 | 0.539 | 0.573 | 0.608 | 0.675 | 0.740 | 0.803 | 0.894 | 0.98 | ||
| 18 | 0.109 | 0.131 | 0.174 | 0.216 | 0.258 | 0.340 | 0.419 | 0.497 | 0.573 | 0.610 | 0.647 | 0.719 | 0.789 | 0.857 | 0.956 | 1.05 | ||
| 19 | 0.115 | 0.138 | 0.183 | 0.228 | 0.272 | 0.359 | 0.444 | 0.527 | 0.608 | 0.647 | 0.687 | 0.763 | 0.838 | 0.911 | 1.02 | 1.12 | ||
| 20 | 0.122 | 0.146 | 0.193 | 0.240 | 0.287 | 0.379 | 0.469 | 0.556 | 0.642 | 0.684 | 0.726 | 0.808 | 0.888 | 0.966 | 1.08 | 1.19 | ||
| 21 | 0.203 | 0.253 | 0.302 | 0.399 | 0.493 | 0.586 | 0.677 | 0.721 | 0.765 | 0.852 | 0.937 | 1.02 | 1.14 | 1.26 | ||||
| 22 | 0.212 | 0.265 | 0.317 | 0.418 | 0.518 | 0.616 | 0.711 | 0.758 | 0.805 | 0.897 | 0.986 | 1.07 | 1.20 | 1.33 | ||||
| 25 | 0.242 | 0.302 | 0.361 | 0.477 | 0.592 | 0.704 | 0.815 | 0.869 | 0.923 | 1.03 | 1.13 | 1.24 | 1.39 | 1.53 | ||||
| 25.4 | 0.247 | 0.307 | 0.367 | 0.485 | 0.602 | 0.714 | 0.829 | 0.884 | 0.939 | 1.05 | 1.15 | 1.26 | 1.41 | 1.56 | ||||
| 27 | 0.262 | 0.327 | 0.391 | 0.517 | 0.641 | 0.763 | 0.884 | 0.943 | 1.00 | 1.13 | 1.23 | 1.34 | 1.51 | 1.67 | ||||
| 28 | 0.272 | 0.339 | 0.406 | 0.537 | 0.666 | 0.793 | 0.918 | 0.98 | 1.04 | 1.16 | 1.28 | 1.40 | 1.57 | 1.88 | ||||
| 30 | 0.292 | 0.364 | 0.435 | 0.576 | 0.715 | 0.852 | 0.987 | 1.05 | 1.12 | 1.25 | 1.38 | 1.51 | 1.70 | 1.88 | ||||
| 32 | 0.311 | 0.388 | 0.465 | 0.616 | 0.765 | 0.911 | 1.056 | 1.13 | 1.20 | 1.34 | 1.48 | 1.62 | 1.82 | 2.02 | ||||
| 34 | 0.331 | 0.413 | 0.494 | 0.655 | 0.814 | 0.971 | 1.125 | 1.20 | 1.28 | 1043 | 1.58 | 1.72 | 1.94 | 2.15 | ||||
| 35 | 0.341 | 0.425 | 0.509 | 0.675 | 0.838 | 1.000 | 1.160 | 1.24 | 1.322 | 1.47 | 1.63 | 1.78 | 2.00 | 2.22 | ||||
| 38 | 0.370 | 0.462 | 0.553 | 0.734 | 0.912 | 1.089 | 1.26 | 1.35 | 1.44 | 1.61 | 1.78 | 1.94 | 2.19 | 2.43 | ||||
| 40 | 0.390 | 0.487 | 0.583 | 0.774 | 0.962 | 1.148 | 1.33 | 1.42 | 4.52 | 1.69 | 1.87 | 2.05 | 2.31 | 2.57 | ||||
| 42 | 1.01 | 1.21 | 1.40 | 1.50 | 1.60 | 1.79 | 1.97 | 2.16 | 2.44 | 2.71 | ||||||||
| 45 | 1.09 | 1.30 | 1.51 | 1.61 | 1.71 | 1.92 | 2.12 | 2.32 | 2.62 | 2.91 | ||||||||
| 48 | 1.16 | 1.39 | 1.61 | 1.72 | 1.83 | 2.05 | 2.27 | 2.48 | 2.81 | 3.12 | ||||||||
| 51 | 1.23 | 1.47 | 1.71 | 1.83 | 1.95 | 2.18 | 2.42 | 2.65 | 2.99 | 3.33 | ||||||||
| 54 | 1.31 | 1.56 | 1.82 | 1.94 | 2.07 | 2.32 | 2.56 | 2.81 | 3.18 | 3.54 | ||||||||
| 57 | 1.38 | 1.65 | 1.95 | 2.05 | 2.19 | 2.45 | 2.71 | 2.97 | 3.36 | 3.74 | ||||||||
| 60 | 1.46 | 1.74 | 2.02 | 2.16 | 2.31 | 2.58 | 2.86 | 3.14 | 3.55 | 3.95 | ||||||||
| 63 | 1.53 | 1.83 | 2.13 | 2.27 | 2.42 | 2.72 | 3.01 | 3.30 | 3.73 | 4.16 | ||||||||
| 65 | 1.58 | 1.89 | 2.20 | 2.35 | 2.50 | 2.81 | 3.11 | 3.41 | 3.85 | 4.29 | ||||||||
| 68 | 1.65 | 1.98 | 2.30 | 2.46 | 2.62 | 2.94 | 3.26 | 3.57 | 4.04 | 4.50 | ||||||||
| 70 | 1.70 | 2.04 | 2.37 | 2.53 | 2.70 | 3.03 | 3.35 | 3.68 | 4.16 | 4.64 | ||||||||
| 73 | 1.78 | 2.12 | 2.47 | 2.64 | 2.82 | .316 | 3.50 | 3.84 | 4.35 | 4.85 | ||||||||
| 76 | 1.85 | 2.12 | 2.58 | 2.76 | 2.94 | 3.29 | 3.65 | 4.00 | 4.53 | 5.05 | ||||||||
| 77 | 2.61 | 2.79 | 2.98 | 3.34 | 3.70 | 4.06 | 4.59 | 5.12 | ||||||||||
| 80 | 2.71 | 2.90 | 3.09 | 3.47 | 3.85 | 4.22 | 4.78 | 5.33 | ||||||||||
| 外径/mm | 壁厚/mm | |||||||||||||||||
| (2.9)3.0 | 3.2 | 3.5(3.6) | 4.0 | 4.5 | 5.0 | (5.4)5.5 | 6.0 | (6.3)6.5 | 7.0(7.1) | 7.5 | 8.0 | 8.5 | (8.8)9.0 | 9.5 | 10 | |||
| 系列 1 | 系列 2 | 系列 3 | 单位长度理论质量/(kg/m) | |||||||||||||||
| 83 | 5.92 | 6.30 | 6.86 | 7.79 | 8.71 | 9.62 | 10.51 | 11.39 | 12.26 | 13.12 | 13.96 | 14.80 | 15.62 | 16.42 | 17.22 | 18.00 | ||
| 85 | 6.07 | 6.46 | 7.04 | 7.99 | 8.93 | 9.86 | 10.78 | 11.69 | 12.58 | 13.46 | 14.33 | 15.19 | 16.04 | 16.87 | 17.69 | 18.49 | ||
| 89 | 6.36 | 6.77 | 7.38 | 8.38 | 9.38 | 10.36 | 11.33 | 12.28 | 13.22 | 14.16 | 15.07 | 15.98 | 16.87 | 17.76 | 18.63 | 19.48 | ||
| 95 | 6.81 | 7.24 | 7.90 | 8.98 | 10.04 | 11.10 | 12.14 | 13.17 | 14.19 | 15.19 | 16.18 | 17.16 | 18.13 | 19.09 | 20.03 | 20.96 | ||
| 102 | 7.32 | 7.80 | 8.50 | 9.67 | 10.82 | 11.96 | 13.09 | 14.21 | 15.31 | 16.40 | 17.48 | 18.55 | 19.60 | 20.64 | 21.67 | 22.69 | ||
| 108 | 7.77 | 8.27 | 9.02 | 10.26 | 11.49 | 12.70 | 13.90 | 15.09 | 16.27 | 17.44 | 18.59 | 19.73 | 20.86 | 21.97 | 23.08 | 24.17 | ||
| 114 | 27.94 | 30.19 | 32.38 | 34.52 | 36.62 | 38.67 | 40.66 | 42.61 | 44.51 | 46.36 | 49.91 | 53.27 | 54.87 | 56.42 | 59.38 | 62.15 | ||
| 121 | 29.84 | 32.26 | 34.62 | 36.94 | 39.21 | 41.43 | 43.60 | 45.72 | 47.79 | 49.81 | 53.71 | 57.41 | 59.18 | 60.91 | 64.21 | 67.83 | ||
| 127 | 31.47 | 34.03 | 36.55 | 39.01 | 41.13 | 43.80 | 46.12 | 48.38 | 50.60 | 52.77 | 56.96 | 60.96 | 62.88 | 64.76 | 68.36 | 71.76 | ||
| 133 | 33.10 | 35.81 | 38.47 | 41.08 | 43.65 | 46.16 | 48.63 | 51.05 | 53.41 | 55.73 | 60.22 | 64.51 | 66.58 | 68.60 | 72.50 | 76.20 | ||
| 140 | 34.99 | 37.88 | 40.71 | 43.50 | 46.24 | 48.93 | 51.56 | 54.15 | 56.63 | 59.18 | 64.02 | 68.65 | 70.90 | 73.09 | 77.33 | 81.38 | ||
| 142 | 35.54 | 38.47 | 41.36 | 44.19 | 46.98 | 49.72 | 52.41 | 55.04 | 47.36 | 60.17 | 65.11 | 68.84 | 72.13 | 74.38 | 78.72 | 82.86 | ||
| 146 | 36.62 | 39.66 | 42.64 | 45.57 | 48.46 | 51.29 | 54.08 | 56.82 | 59.50 | 62.14 | 67.27 | 72.20 | 74.60 | 76.94 | 81.48 | 85.82 | ||
| 152 | 38.25 | 41.43 | 44.56 | 47.64 | 50.68 | 53.66 | 56.59 | 59.48 | 62.32 | 65.10 | 70.53 | 75.76 | 78.30 | 80.79 | 85.62 | 90.26 | ||
| 159 | 40.15 | 43.50 | 46.80 | 50.06 | 53.27 | 56.42 | 59.53 | 62.59 | 65.60 | 68.55 | 74.33 | 79.90 | 82.61 | 85.27 | 90.45 | 95.43 | ||
| 168 | 42.59 | 46.17 | 49.69 | 53.17 | 56.59 | 59.97 | 63.30 | 66.58 | 69.81 | 72.99 | 79.21 | 85.22 | 88.16 | 91.04 | 96.67 | 102.09 | ||
| 180 | 45.84 | 49.72 | 53.54 | 57.31 | 61.03 | 64.71 | 68.33 | 71.91 | 75.43 | 78.91 | 85.72 | 92.33 | 95.56 | 98.74 | 104.95 | 110.97 | ||
| 194 | 49.64 | 53.86 | 58.02 | 62.14 | 66.21 | 70.23 | 74.02 | 78.12 | 81.99 | 85.82 | 93.31 | 100.61 | 104.19 | 107.71 | 114.62 | 121.33 | ||
| 203 | 52.08 | 56.52 | 60.91 | 65.25 | 69.54 | 73.78 | 77.97 | 82.12 | 86.21 | 90.26 | 98.20 | 105.94 | 109.74 | 113.49 | 120.83 | 127.99 | ||
| 219 | 56.42 | 61.26 | 66.04 | 70.77 | 75.46 | 80.10 | 84.68 | 89.22 | 93.71 | 98.15 | 106.88 | 115.41 | 119.60 | 123.74 | 131.88 | 139.82 | ||
| 245 | 63.48 | 68.95 | 74.37 | 79375 | 83.08 | 90.35 | 95.58 | 100.76 | 105.89 | 110.97 | 120.98 | 130.80 | 135.63 | 140.41 | 149.83 | 159.06 | ||
| 273 | 71.07 | 77.24 | 83.35 | 89.42 | 95.43 | 101.40 | 107.23 | 113.19 | 119.01 | 124.78 | 136.17 | 147.37 | 152.89 | 158.37 | 169.17 | 179.77 | ||
| 299 | 78.13 | 84.93 | 91.69 | 98.39 | 105.05 | 111.68 | 118.22 | 124.73 | 131.19 | 137.60 | 150.28 | 162.76 | 168.92 | 175.04 | 187.12 | 199.01 | ||
| 325 | 85.18 | 92.63 | 100.02 | 107.37 | 114.67 | 121.92 | 129.12 | 136.27 | 143.37 | 150.43 | 164.38 | 178.14 | 184.95 | 191.71 | 205.07 | 218.24 | ||
| 340 | 89.25 | 97.07 | 104.84 | 112.56 | 120.22 | 127.85 | 135.42 | 142.94 | 150.41 | 157.83 | 172.53 | 187.03 | 194.21 | 201.34 | 215.44 | 229.35 | ||
| 351 | 92.23 | 100.32 | 108.36 | 116.35 | 124.29 | 132.18 | 140.02 | 147.81 | 155.56 | 163.25 | 178.49 | 193.53 | 200.98 | 208.38 | 223.04 | 237.48 | ||
| 356 | 93.59 | 101.80 | 109.97 | 118.08 | 126.14 | 134.16 | 142.12 | 150.04 | 157.91 | 165.72 | 181.21 | 196.50 | 204.07 | 211.60 | 226.49 | 241.19 | ||
| 377 | 99.28 | 108.02 | 116.69 | 125.32 | 133.90 | 142.44 | 150.92 | 159.35 | 167.74 | 176.07 | 192.59 | 208.92 | 217.01 | 225.05 | 240.98 | 256.71 | ||
| 402 | 106.06 | 115.41 | 124.71 | 133.95 | 143.15 | 152.30 | 161.40 | 170.45 | 179.45 | 188.40 | 206.16 | 233.72 | 232.42 | 241.08 | 258.24 | 275.21 | ||
| 406 | 107.15 | 116.60 | 126.00 | 135.34 | 144.64 | 153.89 | 163.09 | 172.24 | 181.34 | 190.39 | 208.34 | 226.10 | 234.90 | 243.66 | 261.02 | 278.18 | ||
| 426 | 112.58 | 122.52 | 132.40 | 142.24 | 152.03 | 161.77 | 171.46 | 181.10 | 190.70 | 200.24 | 219.18 | 237.92 | 247.22 | 256.46 | 274.81 | 292.96 | ||
| 450 | 119.05 | 130.61 | 140.09 | 150.52 | 160.91 | 171.24 | 181.52 | 191.76 | 201.94 | 212.08 | 232.20 | 252.12 | 262.01 | 271.85 | 291.38 | 310.72 | ||
| 457 | 120.99 | 131.68 | 142.35 | 152.95 | 163.51 | 174.01 | 187.47 | 194.77 | 205.23 | 215.54 | 236.01 | 256.28 | 266.34 | 276.36 | 296.23 | 315.91 | ||
| 480 | 127.22 | 139.49 | 149.71 | 160.88 | 172.00 | 183.08 | 194.10 | 205.07 | 216.00 | 226.37 | 248.47 | 269.88 | 280.51 | 291.09 | 312.10 | 332.91 | ||
| 500 | 132.65 | 145.41 | 156.12 | 167.79 | 179.40 | 190.77 | 202.48 | 213.95 | 225.37 | 236.74 | 259.32 | 281.72 | 292.84 | 303.91 | 325.91 | 347.91 | ||
| 508 | 134.82 | 146.79 | 158.70 | 170.56 | 182.37 | 194.13 | 205.85 | 217.51 | 229.13 | 240.70 | 263.68 | 286.47 | 297.79 | 309.06 | 331.45 | 253.65 | ||
| 530 | 140.78 | 153.29 | 165.74 | 178.14 | 190.50 | 202.80 | 215.06 | 227.27 | 239.42 | 251.53 | 275.60 | 299.47 | 311.33 | 323.14 | 346.62 | 369.90 | ||
| 560 | 148.92 | 163.13 | 175.36 | 188.50 | 201.60 | 214.64 | 227.64 | 240.58 | 253.48 | 266.33 | 291.88 | 317.23 | 329.85 | 342.40 | 367.36 | 392.12 | ||
| 610 | 162.49 | 176.97 | 191.40 | 205.78 | 220.10 | 234.38 | 248.61 | 262.79 | 276.92 | 291.01 | 319.02 | 346.84 | 360.67 | 374.46 | 401.88 | 429.11 | ||
| 630 | 167.91 | 183.88 | 197.80 | 212.67 | 227.49 | 242.26 | 256.98 | 271.65 | 286.28 | 300.85 | 239.85 | 235.66 | 373.00 | 387.28 | 415.69 | 443.91 | ||
| 660 | 176.06 | 191.77 | 207.43 | 223.04 | 238.60 | 254.11 | 269.57 | 284.99 | 300.35 | 315.67 | 346.15 | 376.43 | 391.50 | 406.52 | 436.41 | 466.10 | ||
注:壁厚中括号内的数据是选用。
2)化肥用高压无缝钢管:主要用于输送介质为合成按氨料气(氢与氮)及氨、甲醇、尿素等;压力为 22MPa、32MPa,温度为 -40~400℃ 的化工原料介质的管理,标准为 GB6479—2000《高压化肥设备用无缝钢管》。
3)石油裂化用无缝钢管:主要用于石油精炼厂的炉管、热交换器及其管道,标准为 GB9948—2006《石油裂化用无缝钢管》。
4)不锈耐酸无缝钢管:主要用于化工、石油、机械用管道,尤其适用于输送强腐蚀性介质、体温或高温介质、标准为 GB/T 14976-2002《流体输送用不锈钢无缝钢管》。
无缝钢管也可分为一般无缝钢管与专业无缝钢管两种,见表 2-4。

5)焊接钢管:主要用于公称压力 ≤1.6MPa 的官道上,因其管壁纵向有一条焊缝,故称之为焊接钢管。它可分为低压流体输送用焊接钢管(GB/T 3091—2008,见表 2-5)和螺旋缝焊接钢管、钢板卷制直缝焊接钢管。螺旋缝焊接钢管适用于水、污水、空气、采暖蒸汽等常温低压流体的输送,螺旋缝埋弧焊钢管的常用规格(SY/T 5037-2000)见表 2-6。
| 公称口径/mm | 公称外径/mm | 普通钢管 | 加厚钢管 | ||
| 公称壁厚/mm | 理论质量/(kg/m) | 公称壁厚/mm | 理论质量/(kg/m) | ||
| 6 | 10.2 | 2.0 | 0.40 | 2.5 | 0.47 |
| 8 | 13.4 | 2.5 | 0.68 | 2.8 | 0.74 |
| 10 | 17.2 | 2.5 | 0.91 | 2.8 | 0.99 |
| 15 | 21.3 | 2.8 | 1.28 | 3.5 | 1.54 |
| 20 | 26.9 | 2.8 | 1.66 | 3.5 | 2.02 |
| 25 | 33.7 | 3.2 | 2.41 | 4.0 | 2.93 |
| 32 | 42.4 | 3.5 | 3.36 | 4.0 | 3.79 |
| 40 | 48.3 | 3.5 | 3.87 | 4.5 | 4.86 |
| 50 | 60.3 | 3.8 | 5.29 | 4.5 | 6.19 |
| 65 | 76.1 | 4.0 | 7.11 | 4.5 | 7.95 |
| 80 | 88.9 | 4.0 | 8.38 | 5.0 | 10.35 |
| 100 | 114.3 | 4.0 | 10.88 | 5.0 | 13.48 |
| 125 | 139.7 | 4.0 | 13.39 | 5.5 | 18.20 |
| 150 | 168.3 | 4.5 | 18.18 | 6.0 | 24.02 |
| 公称外径/mm | 公称壁厚/mm | ||||||||||||||
| 5 | 5.4 | 5.6 | 6 | 6.3 | 7.1 | 8 | 8.8 | 10 | 11 | 12.5 | 14.2 | 16 | 17.5 | 20 | |
| 理论质量/(kg/m) | |||||||||||||||
| 273 | 33.05 | 35.64 | 36.93 | 39.51 | 41.44 | 46.56 | 52.28 | 57.34 | 64.86 | ||||||
| 323.9 | 39.32 | 42.42 | 43.96 | 47.04 | 49.34 | 55.47 | 62.32 | 68.38 | 77.41 | ||||||
| 355.6 | 43.23 | 46.64 | 48.34 | 51.73 | 54.27 | 61.02 | 68.58 | 75.26 | 85.23 | ||||||
| (377) | 45.87 | 49.49 | 51.29 | 54.90 | 57.59 | 64.77 | 72.80 | 79.91 | 90.51 | ||||||
| 406.4 | 49.50 | 53.40 | 55.35 | 59.25 | 62.16 | 69.92 | 78.60 | 86.29 | 97.76 | 107.26 | |||||
| (426) | 51.91 | 56.01 | 58.06 | 62.15 | 65.21 | 73.35 | 82.47 | 90.54 | 102.59 | 112.58 | |||||
| 457 | 55.73 | 60.14 | 62.34 | 66.73 | 70.02 | 78.78 | 88.58 | 97.27 | 110.24 | 120.99 | 137.03 | ||||
| 508 | 69.38 | 74.28 | 77.95 | 87.71 | 98.65 | 108.34 | 122.81 | 134.82 | 152.75 | ||||||
| (529) | 72.28 | 77.39 | 81.21 | 91.38 | 102.79 | 112.89 | 127.99 | 140.52 | 159.22 | ||||||
| 559 | 76.43 | 81.83 | 85.87 | 96.64 | 108.71 | 119.41 | 135.39 | 148.66 | 168.47 | ||||||
| 610 | 89.37 | 93.80 | 105.57 | 118.77 | 130.47 | 147.97 | 162.49 | 184.19 | |||||||
| (630) | 92.33 | 96.90 | 109.07 | 122.72 | 134.81 | 152.90 | 167.92 | 190.36 | |||||||
| 660 | 96.77 | 101.56 | 114.32 | 128.63 | 141.32 | 160.30 | 176.06 | 199.6 | 226.15 | ||||||
| 711 | 109.49 | 123.25 | 138.70 | 152.39 | 172.88 | 189.89 | 215.33 | 244.01 | |||||||
| (720) | 110.89 | 124.83 | 140.47 | 154.35 | 175.10 | 192.34 | 218.10 | 247.17 | |||||||
| 762 | 117.41 | 132.18 | 148.76 | 163.46 | 185.45 | 203.73 | 231.05 | 261.87 | |||||||
| 813 | 125.33 | 141.11 | 158.82 | 174.53 | 198.03 | 217.56 | 246.77 | 279.73 | |||||||
| 864 | 133.26 | 150.04 | 168.88 | 185.60 | 210.61 | 231.40 | 262.49 | 297.59 | 334.61 | ||||||
| 914 | 178.75 | 196.45 | 222.94 | 244.96 | 277.90 | 315.10 | 354.34 | ||||||||
| 1016 | 198.87 | 218.58 | 248.09 | 272.63 | 309.35 | 350.82 | 394.58 | ||||||||
注:外径中括号内的数据是选用。
焊接钢管用于石油和天然气长距离输送管道较多。我国出口的钢管中焊接钢管比无缝钢管多,近年来,美国进口焊接钢管 1/3 是中国产品。
(2)有色金属管
1)铜及铜合金管:管道工程用铜管管材有纯铜管(工业纯铜)、黄铜管(铜锌合金与特殊黄铜)和青铜管(铝青铜和锡青铜等)。按制造方法,铜管又可分为拉制管、轧制管和挤制管等,一般中、低压管道采用拉制管。纯铜管和黄铜管大多用于制造换热设备、制冷系统、化工管路、以及仪表的测压管线或传送液体的管线上。
纯铜管适用于工作压力在 4MPa 一下、温度为 -196~250℃ 的管路、黄铜管适用于工作压力在 22MPa 以下、温度为 -158~120℃ 的管路。在制冷系统中,铜管适用于工作压力低于 2MPa、温度为 -20~150℃,输送制冷剂与润滑油的管路上,近年来已用在室内燃气管路及高级宾馆的冷热水系统上。
2)铝及铝合金管:铝及铝合金管只要用于输送脂肪酸、硫化氢、二氧化碳和硝酸、醋酸等管道。它一般采用拉制和挤压等方法生产;其有质量轻、不锈蚀等特点,但其机械强度较差,不能承受较高压力。
3)钛管:钛管常用于其他管材无法胜任的工艺部位,其主要特点是质量轻、强度高、耐腐蚀、耐低温,适用温度范围为 -140~250℃,当温度高于 250℃ 时,其力学性能下降。
(3)铸铁管
1)高硅铸铁管:高硅管道是由含碳量在 0.5%~1.2%(质量分数,下同),含硅量在 10%~17% 的铁硅合金组成,具有很高的耐腐蚀性能。常用的高硅铸铁含硅量为 14.5%,随着硅含量的增加,耐腐蚀性能增大,但脆性也变大。一般使用压力为 0.25MPa 以下。
2)普通铸铁管:普通承插铸铁管用于给排水管道,按压力不同分为低压管(<0.45MPa)、中压管(0.45~0.75MPa)和高压管(0.75~1.0MPa),将管与法兰铸成一体的普通法兰铸铁管拆卸方便,应用较广泛。
(4)非金属管
1)耐酸酚醛塑料管:耐酸酚醛塑料管具有良好的耐腐蚀性能,能抗大部分酸性、有机溶剂等腐蚀,但不耐碱性及强氧化性的酸腐蚀。由于其冲击韧性差,较脆,故不宜在有机械振动、温度变化大的情况下使用,一般用于温度为 -30~130℃、压力 <0.6MPa 的工况。
2)硬聚氯乙烯管:硬聚氯乙烯管对不同浓度的大部分酸碱盐类的溶液有较好的耐腐蚀性,但在 50%以上的硝酸及发烟硫酸中则不稳定。其传热系数低、塑性好,不过其强度差,且只有在 60℃ 以下时才能保持适当强度,用于压力 <0.6MPa 的工况。
3)石墨管:石墨管具有良好的耐腐蚀性,且热胀系数小,不污染介质,但其较脆,强度低,适用于温度 <150℃、压力 <0.3MPa 的工况。
4)耐酸陶瓷管:耐酸陶瓷管具有良好的耐腐蚀性、不渗透性。但它耐温度骤变性差、强度差、强度低、不宜用于剧毒或易燃易爆介质,一般用于温度 <120℃、压力为常压的工况。
5)玻璃管:玻璃管对除氢氟酸外的酸类、稀碱及有机溶剂等具有良好的耐蚀性,但其抗拉强度低、常用于温度 <120℃、压力 <2.0MPa 的工况。
6)混凝土管:混凝土管分为预应力和自应力钢筋混凝土管两种。管口连接采用承插接口,用圆形截面的橡胶圈密封,适用于长距离输送低压水、气等,一般用于压力 <1.0MPa 的工况。
一般无缝钢管由 10、20、Q295、Q345 牌号的钢制造。按制造方法分为热轧无缝钢管和冷拔(轧)无缝管,热轧钢管的长度为 3000~12000mm。冷拔钢管的长度为 3000~10500mm。输送流体用无缝钢管,常用规格见表 2-3。
2-2 管道管理的技术要求有哪些?
答:管道管理的技术要求是:
(1)建立管道的技术档案与台账。管道档案应包括图样、安装验收技术资料、维修记录、运行时间统计表等。
(2)建立管道管理的规章制度。对压力管道、使用单位应根据压力管道技术标准、法规建立安全管理制度、操作者安全被训制度、工艺生产造作制度、检验维护制度、事故管理制度及报废更新制度等。
对于从事压力管道、管件的设计、制造、安装、维修、全面检验的单位,均须获得有关部门颁发的许可证,方可从事相应的工作。
(3)生产管理。操作者应对使用的管道进行巡回检查。内容包括:管道的零部件是否完整齐全;仪表、计量器具、信号联锁、各种安全装置、自动调节装置是否灵敏可靠;管道是否有泄漏、超温、超压、过冷、异常震动现象;管道支架是否牢固;各种螺栓是否紧固;防腐防冻设施是否完整有效;阀门操作机构的润滑和防护是否符合要求等。
(4)维修管理。管道的维修管理应按 GB 50235—1997《工业金属管道工程施工及验收规范》的规定进行管理与验收。
2-3 管道工程常用文字符号有哪些?
答:管道工程常用文字符号见表 2-7。
| 符号 | 名称 | 符号 | 符号 | 名称 | 符号 |
| 1 | 管子外径 | Dw,dm | 37 | 热量 | Q |
| 2 | 管子内径 | Du,dn | 38 | 热容 | C |
| 3 | 直径 | D、d | 39 | 质量定压热容 | cp |
| 4 | 公称直径 | DN | 40 | 质量定容热容 | cv |
| 5 | 管子半径 | R、r | 41 | 设施温度 | t、τ、θ |
| 6 | 弯曲半径 | R | 42 | 热力学温度 | T |
| 7 | 压力 | p | 43 | 温差 | Δt、ΔT |
| 8 | 公称压力 | PN | 44 | 质量 | m |
| 9 | 应力 | σ | 45 | 密度 | ρ |
| 10 | 许用应力 | [σ] | 46 | 质量热容比 | γ |
| 11 | 力矩 | M | 47 | 熔 | μ |
| 12 | 弯矩 | W | 48 | 运动粘度 | ν |
| 13 | 惯性矩 | J | 49 | 动力粘度 | μ |
| 14 | 截面系数 | W | 50 | 沿程阻力系数 | λ |
| 15 | 弹性流量 | E | 51 | 局部阻力系数 | ζ |
| 16 | 流速 | V、v、w | 52 | 雷诺数 | Re |
| 17 | 流量 | Q、q、L | 53 | 流量系数 | μ |
| 18 | 质量流量 | G | 54 | 谢才系数 | C |
| 19 | 扬程 | H | 55 | 线[膨]胀系数 | αt |
| 20 | 水头损失 | H、h | 56 | 体[膨]胀系数 | αv |
| 21 | 水力坡度 | I、i | 57 | 力 | F |
| 22 | 水力半径 | R | 58 | 加速度 | α |
| 23 | 功 | W(A) | 59 | 角速度 | ω |
| 24 | 功率 | P | 60 | 振幅 | A |
| 25 | 转速 | N | 61 | 能(量) | E |
| 26 | 效率 | η | 62 | 热导率 | λ |
| 27 | 平面角 | α、β、γ、θ、ø | 63 | 表面传播系数 | α |
| 28 | 长度 | L、l | 64 | 传热系数 | Κ |
| 29 | 宽 | B、b | 65 | 热阻 | R |
| 30 | 高 | H、h | 66 | 围护结构热惰性指标 | D |
| 31 | 厚度 | S、δ、t、T | 67 | 小时变化系数 | Kh |
| 32 | 面积 | A、S | 68 | 管道粗糙系数 | n、K |
| 33 | 容积 | V | 69 | 设计压力 | P |
| 34 | 时间 | t | 70 | 试验压力 | Pτ、Pe |
| 35 | 周期 | T | 71 | 设计温度下的许用压力 | PA |
| 36 | 频率 | f | 72 | 冷拉系数 | ε |
2-4 管道代号有哪些?
答:管道代号见表 2-8。
| 符号 | 名称 | 符号 | 符号 | 名称 | 符号 |
| 1 | 饱和蒸汽管 | S | 40 | 压缩空气管 | A |
| 2 | 过热蒸汽管 | OS | 41 | 氧气管 | OX |
| 3 | 生产蒸汽管 | PS | 42 | 液氧管 | LOX |
| 4 | 生活蒸汽管 | DS | 43 | 氮气管 | N |
| 5 | 采暖蒸汽管 | HS | 44 | 液氮管 | LN |
| 6 | 伴热蒸汽管 | TS | 45 | 氢气管 | HY |
| 7 | 吹扫蒸汽管 | BLS | 46 | 氩气管 | AB |
| 8 | 二次蒸汽管 | SS | 47 | 乙炔管 | AC |
| 9 | 废蒸汽管 | WS | 48 | 二氧化碳管 | CD |
| 10 | 凝结水管(自流) | CW | 49 | 气态丙烷管(液化石油气) | PG |
| 11 | 凝结水管(压力流) | CWP | 50 | 液态丙烷管(液化石油气) | LPG |
| 12 | 采暖热水供水管 | H | 51 | 煤气管(不分类型) | G |
| 13 | 采暖热水回水管 | HR | 52 | 高炉煤气管 | BFG |
| 14 | 生产热水管(循环自流) | PH | 53 | 焦炉煤气管 | COG |
| 15 | 生产热水管(循环压力流) | PHP | 54 | 转炉煤气管 | LDG |
| 16 | 生活热水供水管 | DH | 55 | 发生炉热煤气管 | HGG |
| 17 | 生活热水回水管 | DHR | 56 | 发生炉冷煤气管 | CGG |
| 18 | 给水管 | W | 57 | 发生炉水煤气管 | WGG |
| 19 | 软化水管 | SW | 58 | 混合煤气管 | MIG |
| 20 | 除盐水管 | DMW | 59 | 天然气管 | NG |
| 21 | 循环水供水管 | CWS | 60 | 沼气罐 | MG |
| 22 | 循环水回水管 | CWR | 61 | 空气放空管 | V |
| 23 | 含酚热循环水供水管 | HC | 62 | 氧气放空管 | VOX |
| 24 | 含酚热循环供水管 | HCR | 63 | 氢气放空管 | VH |
| 25 | 含酚冷循环供水管 | CC | 64 | 氮气放空管 | VN |
| 26 | 含酚冷循环回水管 | CCR | 65 | 氩气放空管 | VAR |
| 27 | 循环管 | CP | 66 | 煤气放空管 | VC |
| 28 | 配水管 | P | 67 | 二氧化碳放空管 | VCD |
| 29 | 排水管 | D | 68 | 乙炔放空管 | VAC |
| 30 | 生产排水管 | PD | 69 | 蒸汽放空管 | ES |
| 31 | 连续污水管 | CB | 70 | 供油管(不分类型) | O |
| 32 | 定期污水管 | PC | 71 | 回油管(不分类型) | OR |
| 33 | 溢水管 | OF | 72 | 煤油管 | KO |
| 34 | 补给水管 | M | 73 | 重油供油管 | HO |
| 35 | 盐溶液管 | SA | 74 | 重油回油管 | HOR |
| 36 | 硫酸管 | SFA | 75 | 焦油罐 | T |
| 37 | 盐酸管 | HA | 76 | 乳化液 | E |
| 38 | 碱溶液(氢氧化钠)管 | SL | 77 | 汽油管 | GO |
| 39 | 膨胀管 | EXP | 78 | 机油管 | MO |
2-5 管道的公称直径是什么?
答:管道工程中,管子种类繁多,管子的大小通常用管外径 D 和管内径 d 表示,量度使用过程中,由于用途不一,需要多种直径相应的管路附件(包括管件、阀门、法兰等),这样,管材和附件的直径尺寸就相当多,就给制造、设计和施工造成了不便,为了能批量生产、降低成本、提高效益,使管子和管理附件具有通用性和互换性,必须对管子和管理附件实行标准化,而公称直径又是管道工程标准化重要内容。所谓公称直径就是各种管道元件的通用口径,又称公称通径、公称口径、公称尺寸(现在国际上普遍使用公称尺寸这一称谓),用符号 DN 表示,DN 是用于管道系统元件的字母和数字组合的尺寸标识。它由字母 DN 和后跟无因次的整数数字组成。现行管道元件的公称直径按 GB/T 1047-2005 之规定,见表 2-9。
| DN6 | DN40 | DN200 | DN600 | DN1400 | DN2600 | DN4000 |
| DN8 | DN50 | DN250 | DN700 | DN1500 | DN2800 | |
| DN10 | DN65 | DN300 | DN800 | DN1600 | DN3000 | |
| DN15 | DN80 | DN350 | DN900 | DN1800 | DN3200 | |
| DN20 | DN100 | DN400 | DN1000 | DN2000 | DN3400 | |
| DN25 | DN125 | DN450 | DN1100 | DN2200 | DN3600 | |
| DN32 | DN150 | DN500 | DN1200 | DN2400 | DN3800 |
2-6 管道的公称压力、试验压力、工作压力是什么?
答:公称压力、试验压力、工作压力是:
(1)公称压力:制品在基准温度下的耐压强度称为公称压力,用符号 PN 表示,PN 是与管道系统元件的力学性能和尺寸特性相关、用于参考的字母和数字组合的标识。它由字母 PN 和后跟无因次的数字组成。入公称压力为 1.0MPa,记为 PN10。由于制品的材料不同,其基准温度也不同,铸铁和铜的基准温度为 120℃,钢的基准温度为 200℃,合金钢的基准温度为 250℃。塑料制品的基准温度为 20℃,制品在基准温度下的耐压强度接近常温时的耐压强度,故公称压力也接近常温下材料的耐压强度。管道的公称压力见表 2-10。
| DIN 系列 | ANSI 系列 |
| PN2.5 | PN20 |
| PN6 | PN50 |
| PN10 | PN110 |
| PN16 | PN150 |
| PN25 | PN260 |
| PN40 | PN420 |
| PN63 | |
| PN100 |
注:必要时允许选用其他的 PN 值。
(2)工作压力:管子和管路附近在正常运行条件下所承受的压力用符号 p 表 示,这个运行条件必须是指某一操作温度,因而说明某制品的压力工作应注明其工作温度,通常是在 p 的下角附加数字,该数字是最高工作温度除 10 所得的正式整数值,如介质的最高强度为 300℃,工作压力为 10MPa,则记为 p3010MPa。
(3)试验压力:管道与管路附件在出厂前,必须进行压力试验,检查其强度和密封性,对制品进行强度试验的压力称为强度试验压力,用符号 ps 表示,如试验压力为 4MPa,记为 ps4MPa。从安全角度考虑,试验压力必须大于公称压力。
制品的公称压力按照他的定义是指基准温度下的耐压强度,但在很多情况下,制品并非在基准温度下工作,随着温度的变化,制品的耐压强度也跟着发生变化,所以隶属于某一公称压力的制品,究竟能承受多大的工作压力,要由介质的工作温度决定,因此就需要知道制品在不同的工作温度下公称压力和工作压力的关系。为此,必须通过强度计算找出制品的耐压强度与温度之间的变化规律。在工程实践中,通常是按照制品的最高耐温界限,把工作温度分为若干等级,并计算每个温度等级下制品的允许的工作压力。例如:用优质碳素钢制造的制品,工作温度分为 11 个等级,在每一个工作温度等级下,列出在该温度等级下的工作压力,见表 2-11。
| 序号 | 温度等级 | 温度范围/℃ | 最大工作压力 | 序号 | 温度等级 | 温度范围/℃ | 最大工作压力 |
| 1 | 1 | 0~200 | 1PN | 7 | 7 | 351~375 | 0.67PN |
| 2 | 2 | 201~250 | 0.92PN | 8 | 8 | 376~400 | 0.64PN |
| 3 | 3 | 251~275 | 0.86PN | 9 | 9 | 401~425 | 0.55PN |
| 4 | 4 | 276~300 | 0.81PN | 10 | 10 | 426~435 | 0.50PN |
| 5 | 5 | 301~325 | 0.75PN | 11 | 11 | 436~450 | 0.45PN |
| 6 | 6 | 326~350 | 0.71PN |
其他材料的制品,同样可以分成不同的温度等级并计算出在每一个工作温度下所承受的最大工作压力。这样我们可以制定出各种制品的公称压力、工作温度和最大工作压力的换算关系。编织成便于应用的表格,以便按照制品的公称压力和介质的工作温度来确定所允许承受的最大工作压力,或者按照介质的工作压力来选择管材和管路附件。表 2-12、表 2-13、表 2-14分别列出了碳钢及合金钢制件、铸铁制件、铜制件的公称压力、工作压力、工作温度和最大工作压力的关系。这些表称为制件的温压表。在选择管材、管路附件是经常用到。
| 材料 | 介质工作温度/℃ | |||||||||||||||
| Q235A,Q235A·F | ≤200 | 250 | 275 | 300 | 325 | 350 | ||||||||||
| 10,20,25,35,20g | ≤200 | 250 | 275 | 300 | 325 | 350 | 375 | 400 | 425 | 435 | 450 | |||||
| 16Mn,ZG20Mn | ≤200 | 300 | 325 | 350 | 375 | 400 | 410 | 415 | 425 | 435 | 440 | 450 | ||||
| 15MnV | ≤250 | 300 | 350 | 375 | 400 | 410 | 420 | 430 | 440 | 450 | ||||||
| 12~15MnMoV,16Mo | ≤250 | 350 | 400 | 425 | 450 | 460 | 470 | 480 | 490 | 500 | 510 | 520 | ||||
| 12CrMo,15CrMo | ≤250 | 350 | 400 | 425 | 450 | 460 | 470 | 480 | 490 | 500 | 510 | 520 | 525 | 530 | 535 | 540 |
| Cr5Mo | ≤250 | 350 | 400 | 425 | 450 | 475 | 480 | 490 | 500 | 505 | 515 | 525 | 535 | 540 | 545 | 550 |
| 12CrlMoV,12MoVWBSiRe | ≤250 | 350 | 400 | 425 | 450 | 475 | 500 | 510 | 520 | 530 | 540 | 550 | 560 | 570 | 580 | |
| 12CrMoWVB | ≤250 | 350 | 400 | 425 | 450 | 475 | 500 | 520 | 540 | 560 | 570 | 580 | 590 | 595 | 600 | |
| 1Cr18Ni9Ti,Cr18Ni12Mo2N | ≤250 | 350 | 400 | 425 | 450 | 475 | 500 | 525 | 545 | 560 | 580 | 600 | 610 | 620 | 630 | 635 |
| 0Cr13,1Cr13,2Cr13 | ≤250 | 300 | 375 | 400 | ||||||||||||
| 公称压力 PN/MPa | 最大工作压力/MPa | |||||||||||||||
| 0.1 | 0.1 | 0.09 | 0.09 | 0.08 | 0.08 | 0.07 | 0.07 | 0.06 | 0.06 | 0.06 | 0.05 | 0.04 | 0.04 | 0.04 | 0.03 | 0.03 |
| 0.25 | 0.25 | 0.23 | 0.21 | 0.2 | 0.19 | 0.18 | 0.17 | 0.16 | 0.15 | 0.14 | 0.12 | 0.11 | 0.1 | 0.09 | 0.08 | 0.07 |
| 0.6 | 0.6 | 0.55 | 0.51 | 0.48 | 0.45 | 0.43 | 0.4 | 0.38 | 0.36 | 0.33 | 0.3 | 0.27 | 0.24 | 0.21 | 0.19 | 0.18 |
| 1.0 | 1.0 | 0.92 | 0.86 | 0.81 | 0.75 | 0.71 | 0.67 | 0.61 | 0.60 | 0.55 | 0.5 | 0.45 | 0.40 | 0.36 | 0.32 | 0.3 |
| 1.6 | 1.6 | 1.5 | 1.4 | 1.3 | 1.2 | 1.1 | 1.05 | 1.0 | 0.95 | 0.9 | 0.8 | 0.7 | 0.64 | 0.60 | 0.50 | 0.48 |
| 2.5 | 2.5 | 2.3 | 2.1 | 2.0 | 1.9 | 1.8 | 1.7 | 1.6 | 1.5 | 1.4 | 1.2 | 1.1 | 1.0 | 0.90 | 0.80 | 0.75 |
| 材料 | 介质工作温度/℃ | |||||||||||||||
| Q235A,Q235A·F | ≤200 | 250 | 275 | 300 | 325 | 350 | ||||||||||
| 10,20,25,35,20g | ≤200 | 250 | 275 | 300 | 325 | 350 | 375 | 400 | 425 | 435 | 450 | |||||
| 16Mn,ZG20Mn | ≤200 | 300 | 325 | 350 | 375 | 400 | 410 | 415 | 425 | 435 | 440 | 450 | ||||
| 15MnV | ≤250 | 300 | 350 | 375 | 400 | 410 | 420 | 430 | 440 | 450 | ||||||
| 12~15MnMoV,16Mo | ≤250 | 350 | 400 | 425 | 450 | 460 | 470 | 480 | 490 | 500 | 510 | 520 | ||||
| 12CrMo,15CrMo | ≤250 | 350 | 400 | 425 | 450 | 460 | 470 | 480 | 490 | 500 | 510 | 520 | 525 | 530 | 535 | 540 |
| Cr5Mo | ≤250 | 350 | 400 | 425 | 450 | 475 | 480 | 490 | 500 | 505 | 515 | 525 | 535 | 540 | 545 | 550 |
| 12CrlMoV,12MoVWBSiRe | ≤250 | 350 | 400 | 425 | 450 | 475 | 500 | 510 | 520 | 530 | 540 | 550 | 560 | 570 | 580 | |
| 12CrMoWVB | ≤250 | 350 | 400 | 425 | 450 | 475 | 500 | 520 | 540 | 560 | 570 | 580 | 590 | 595 | 600 | |
| 1Cr18Ni9Ti,Cr18Ni12Mo2N | ≤250 | 350 | 400 | 425 | 450 | 475 | 500 | 525 | 545 | 560 | 580 | 600 | 610 | 620 | 630 | 635 |
| 0Cr13,1Cr13,2Cr13 | ≤250 | 300 | 375 | 400 | ||||||||||||
| 公称压力 PN/MPa | 最大工作压力/MPa | |||||||||||||||
| 4.0 | 4.0 | 3.7 | 3.4 | 3.2 | 3.0 | 2.8 | 2.7 | 2.5 | 2.4 | 2.2 | 2.0 | 1.8 | 1.6 | 1.4 | 1.3 | 1.2 |
| 6.4 | 6.4 | 5.9 | 5.5 | 5.2 | 4.9 | 4.6 | 4.4 | 4.1 | 3.8 | 3.5 | 3.2 | 2.8 | 2.5 | 2.3 | 2.0 | 1.9 |
| 10.0 | 10.0 | 9.02 | 8.6 | 8.1 | 7.6 | 7.2 | 6.8 | 6.4 | 6.0 | 5.6 | 5.0 | 4.5 | 4.0 | 3.6 | 3.2 | 3.0 |
| 16.0 | 16.0 | 14.7 | 13.7 | 13.0 | 12.1 | 11.5 | 10.8 | 10.2 | 9.6 | 9.0 | 8.0 | 7.2 | 6.4 | 5.7 | 5.1 | 4.8 |
| 20.0 | 20.0 | 18.4 | 17.2 | 16.2 | 15.2 | 14.4 | 13.6 | 12.8 | 12.0 | 11.2 | 10.2 | 9.0 | 8.0 | 7.2 | 6.4 | 6.0 |
| 22.0 | 22.0 | 20.2 | 18.9 | 17.8 | 16.7 | 15.8 | 15.0 | 14.0 | 13.2 | 12.3 | 11.0 | 9.9 | 8.8 | 7.9 | 7.0 | 6.6 |
| 25.0 | 25.0 | 23.0 | 21.5 | 20.2 | 19.0 | 18.0 | 17.0 | 16.0 | 15.0 | 14.0 | 12.5 | 11.2 | 10.0 | 9.0 | 8.0 | 7.5 |
| 32.0 | 32.0 | 29.4 | 27.5 | 25.9 | 24.3 | 23.0 | 21.7 | 20.5 | 19.2 | 17.9 | 16.0 | 14.4 | 12.8 | 11.5 | 10.2 | 9.6 |
| 材料名称 | 介质工作温度/℃ | |||||
| 灰铸铁及可锻铸铁 | ≤120 | 200 | 250 | 300 | ||
| 耐酸硅铸铁 | ≤120 | |||||
| 球墨铸铁 | ≤120 | 200 | 250 | 300 | 350 | 375 |
| 公称压力 PN/MPa | 最大工作压力/MPa | |||||
| 0.1 | 0.1 | 0.1 | 0.1 | 0.1 | 0.08 | 0.07 |
| 0.25 | 0.25 | 0.25 | 0.2 | 0.2 | 0.19 | 0.16 |
| 0.6 | 0.6 | 0.55 | 0.5 | 0.5 | 0.45 | 0.42 |
| 1.0 | 1.0 | 0.9 | 0.8 | 0.8 | 0.75 | 0.7 |
| 1.6 | 1.6 | 1.5 | 1.4 | 1.3 | 1.2 | 1.0 |
| 2.5 | 2.5 | 2.3 | 2.1 | 2.0 | 1.8 | 1.6 |
| 4.0 | 4.0 | 3.6 | 3.4 | 3.2 | 3.2 | 2.8 |
| 公称压力 PN/MPa | 介质工作温度/℃ | 公称压力 PN/MPa | 介质工作温度/℃ | |||
| ≤120 | 160 | 200 | 250 | ≤120 | ||
| 最大工作压力/MPa | 最大工作压力/MPa | |||||
| 0.1 | 0.1 | 0.1 | 0.1 | 0.07 | 6.4 | 6.4 |
| 0.25 | 0.25 | 0.22 | 0.2 | 0.17 | 10.0 | 10.0 |
| 0.6 | 0.6 | 0.55 | 0.5 | 0.4 | 16.0 | 16.0 |
| 1.0 | 1.0 | 0.9 | 0.8 | 0.7 | 20.0 | 20.0 |
| 1.6 | 1.6 | 1.4 | 1.3 | 1.1 | 25.0 | 25.0 |
| 2.5 | 2.5 | 2.2 | 2.0 | 1.7 | ||
| 4.0 | 4.0 | 3.6 | 3.2 | 2.7 | ||
2-7 管道维修主要内容有哪些?
答:为了确保管道运行有条不紊,动能供应经济安全,必须对各种管道在投入运行前进行一系列的检查和试验,同时对已投入运行的管道进行定期维修。管道维修主要包括下列内容:动力管道修理顺序、修理内容、试压规定以及动力管道大修和检查竣工验收等。
2-8 管道的维修程序有哪些?
答:管道的维修程序如下:
